Curiosii for ever!
: Car repair manuals for everyone.
Home
>>
Toyota
>>
2005
>>
Camry L4-2.4L (2AZ-FE)
>>
Repair and Diagnosis
>>
Diagrams
>>
Exploded Views
>>
Engine
>>
System Diagram
>>
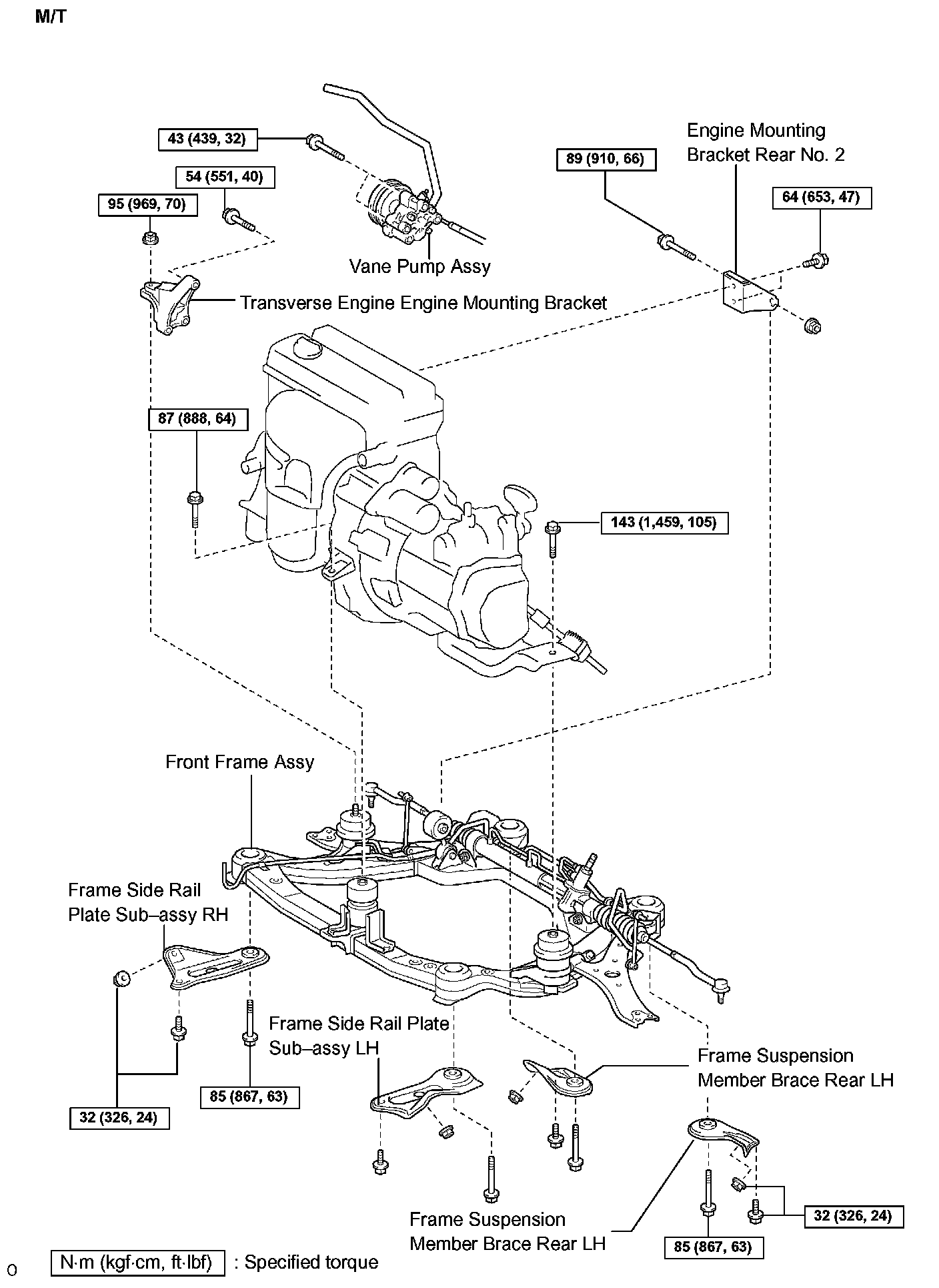
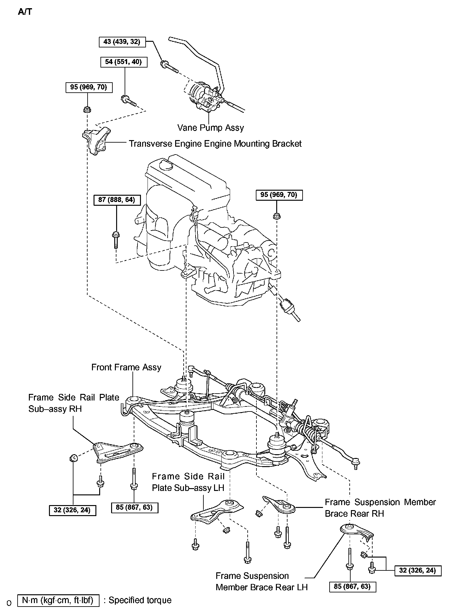
Partial Engine Assembly
Partial Engine Assembly
With A/T:
With M/T:
With A/T:
With M/T:
PZEV:
Except PZEV:
PARTIAL ENGINE ASSEMBLY REPLACEMENT AND OVERHAUL W/ RELATED COMPONENTS