Curiosii for ever!: Car repair manuals for everyone.

Multiplex Communication System

TERMINALS OF ECU

1. CHECK GATEWAY ECU




a. Disconnect the E23 ECU connector.




b. Measure the voltage and resistance between the specified terminals on the wire harness side connector.

2. CHECK RAIN SENSOR




a. Disconnect the O3 ECU connector.




b. Measure the voltage and resistance between the specified terminals on the wire harness side connector.

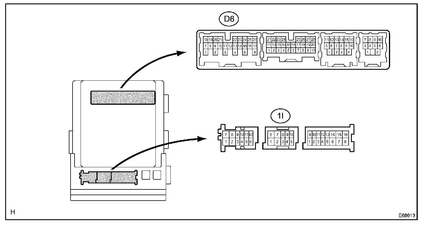
3. CHECK BODY ECU

Part 1:




Part 2:




a. Disconnect the 1I, 1A, 1F, 1M, 1R and D6 ECU connectors.




b. Measure the voltage and resistance between the specified terminals on the wire harness side connector.

4. CHECK A/C ECU




a. Disconnect the D37 ECU connector.




b. Measure the voltage and resistance between the specified terminals on the wire harness side connector.

5. CHECK POWER SOURCE CONTROL ECU




a. Disconnect the D44 ECU connector.




b. Measure the voltage and resistance between the specified terminals on the wire harness side connector.

6. CHECK CERTIFICATION ECU




a. Disconnect the D39 ECU connector.




b. Measure the voltage and resistance between the specified terminals on the wire harness side connector.

7. CHECK COMBINATION SWITCH ECU




a. Disconnect the D13 ECU connector.




b. Measure the voltage and resistance between the specified terminals on the wire harness side connector.

8. CHECK POWER SEAT ECU




a. Disconnect the Q14 and Q15 ECU connectors.




b. Measure the voltage and resistance between the specified terminals on the wire harness side connector.

9. CHECK MEMORY MIRROR ECU (LH)




a. Disconnect the I1 ECU connector.




b. Measure the voltage and resistance between the specified terminals on the wire harness side connector.

10. CHECK MEMORY MIRROR ECU (RH)




a. Disconnect the H1 ECU connector.




b. Measure the voltage and resistance between the specified terminals on the wire harness side connector.

If the values do not conform to the conditions specified, there may be a malfunction on the wire harness side.

11. CHECK FRONT CONTROLLER




a. Disconnect the 1E, 1H and 1G ECU connectors.




b. Measure the voltage and resistance between the specified terminals on the wire harness side connector.

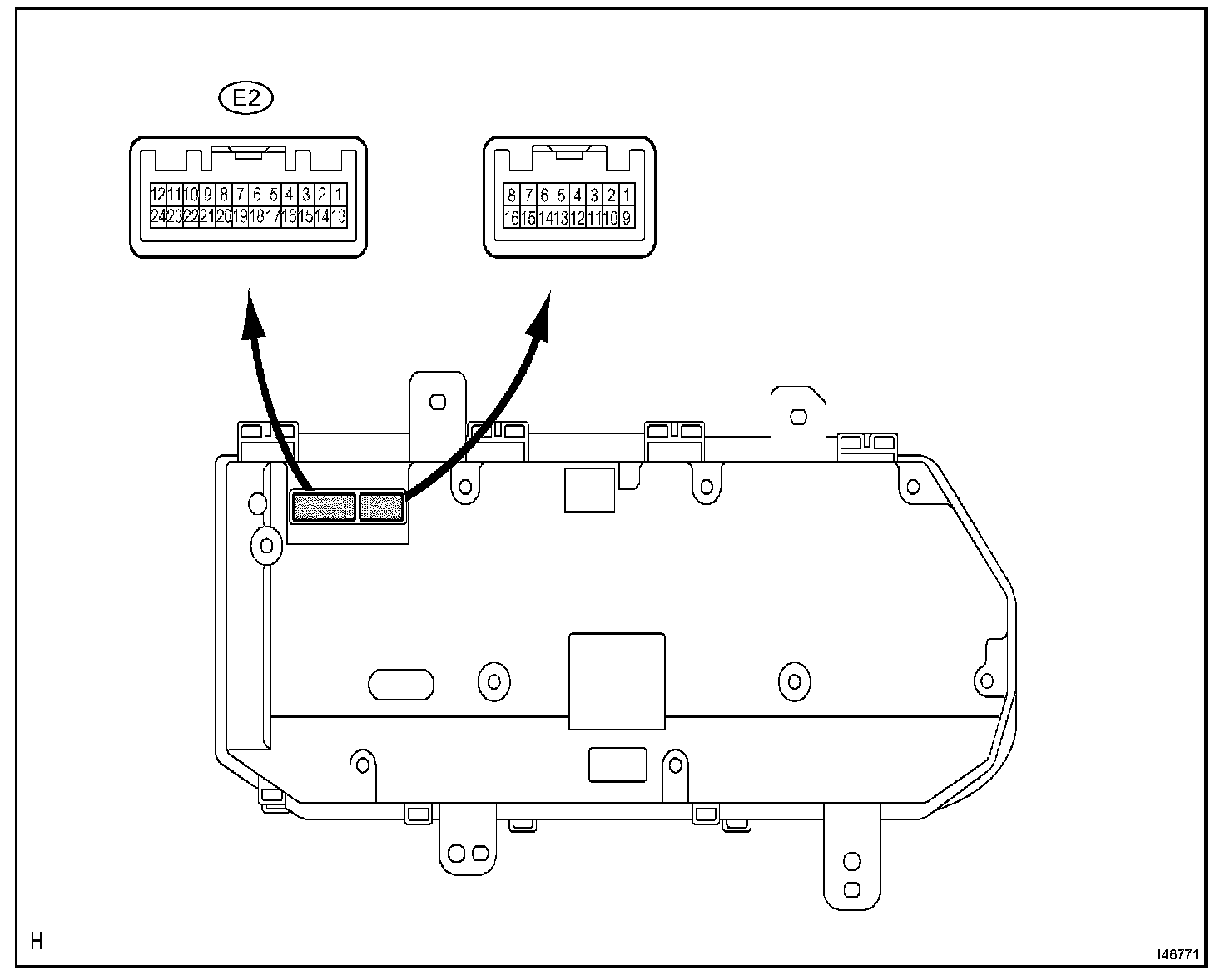
12. CHECK COMBINATION METER ECU




a. Disconnect the E2 ECU connector.




b. Measure the resistance and voltage between the specified terminals on the wire harness side connector.

13. CHECK OPTION CONNECTOR




a. Disconnect the D16 ECU connector.




b. Measure the resistance between the specified terminals on the wire harness side connector.