Curiosii for ever!
: Car repair manuals for everyone.
Home
>>
Toyota
>>
2005
>>
Avalon V6-3.5L (2GR-FE)
>>
Repair and Diagnosis
>>
Powertrain Management
>>
Computers and Control Systems
>>
Information Bus
>>
Testing and Inspection
>>
Component Tests and General Diagnostics
>>
Skid Control ECU Communication Stop Mode - w/o VSC
Skid Control ECU Communication Stop Mode - w/o VSC
SKID CONTROL ECU COMMUNICATION STOP MODE
MODE DESCRIPTION
Detection Item:
HINT:
The following inspection procedures are for vehicles without VSC.
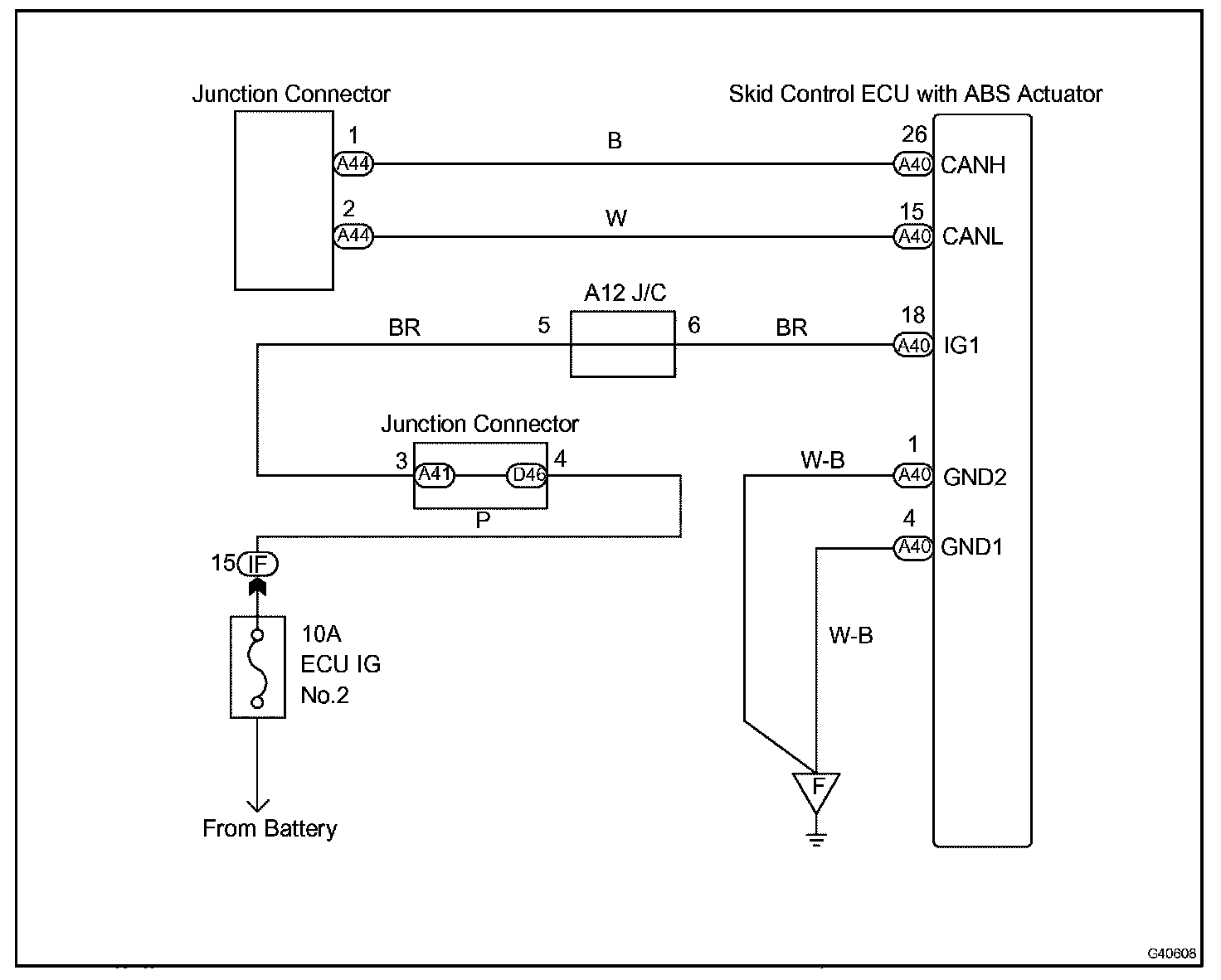
Wiring Diagram:
Step 1 - 2:
INSPECTION PROCEDURE