Curiosii for ever!: Car repair manuals for everyone.

Check CAN Bus Line

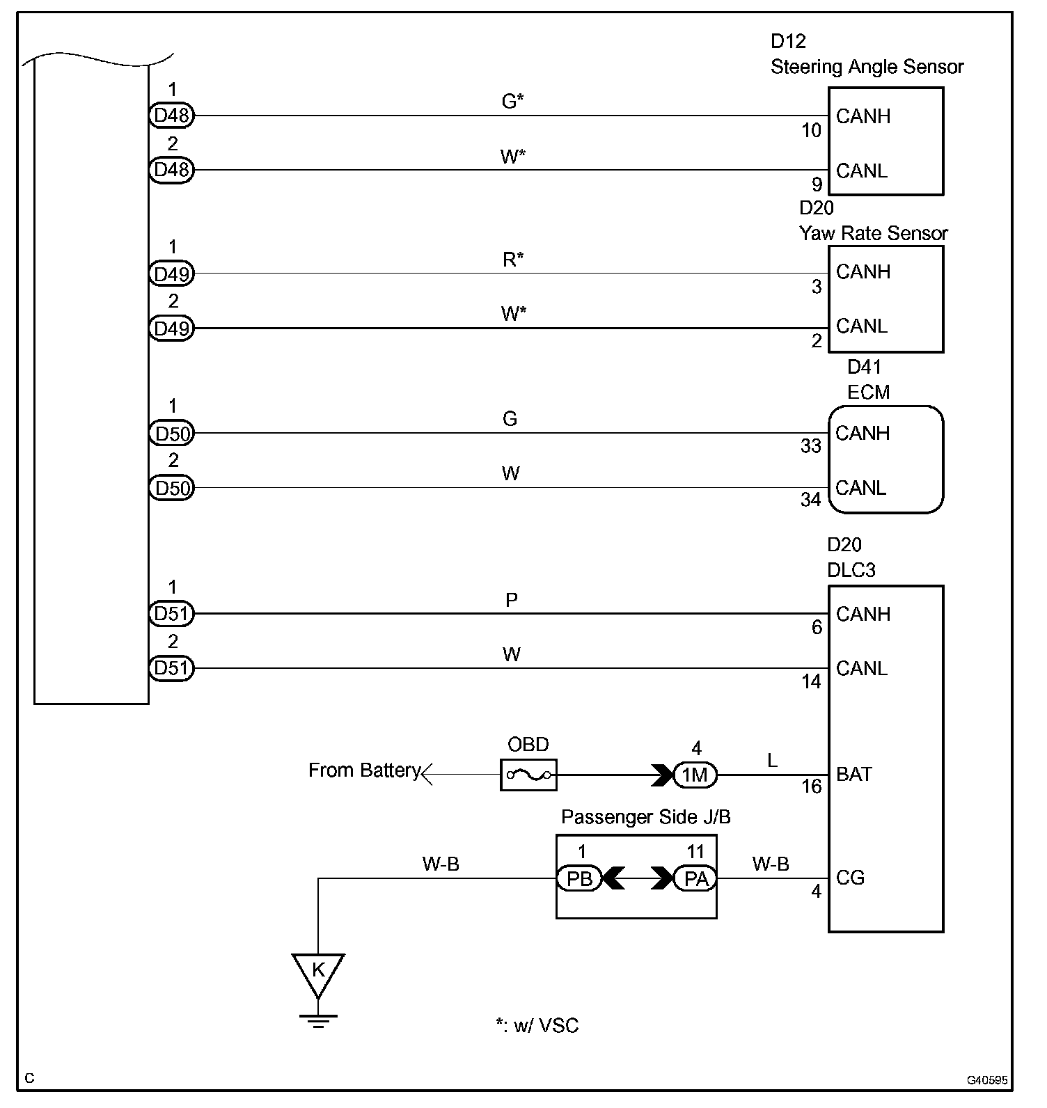
CHECK CAN BUS LINE

CIRCUIT DESCRIPTION
When any DTC for the CAN communication system is output, first measure the resistance between the terminals of the DLC3 to specify the trouble area, and the check that there is no short in the CAN main bus line, between the CAN bus lines, to +B or to GND.

Wiring Diagram:




Wiring Diagram:






Step 1:




Step 2 - 3:




INSPECTION PROCEDURE