Curiosii for ever!: Car repair manuals for everyone.

Check CAN Bus Line For Short to GND

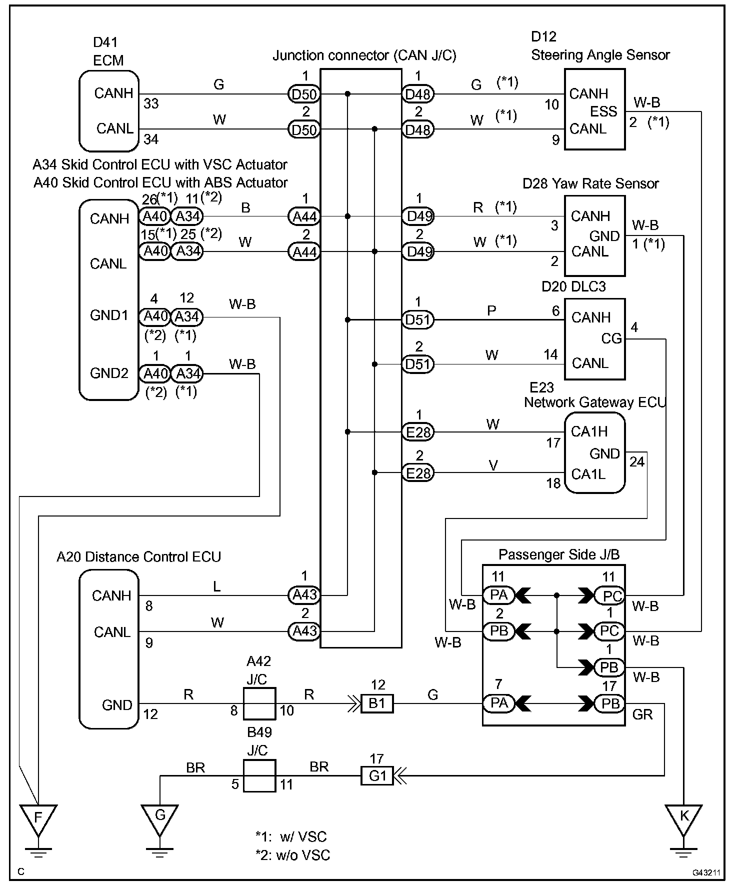
CHECK CAN BUS LINE FOR SHORT TO GND

CIRCUIT DESCRIPTION




There may be a short circuit between the CAN bus line and GND when there is resistance between terminals 6 (CANH) and 4 (CG), or terminals 14 (CANL) and 4 (CG), of the DLC3.

Wiring Diagram:






Step 1 - 2:




Step 3 - 4:




Step 5 - 6:




Step 7 - 8:




Step 9 - 11:




Step 12 - 14:




Step 15 - 16:




Step 17 - 18:




Step 19 - 20:




Step 21 - 23:




Step 24 - 25:




INSPECTION PROCEDURE