Curiosii for ever!
: Car repair manuals for everyone.
Home
>>
Toyota
>>
2005
>>
Avalon V6-3.5L (2GR-FE)
>>
Repair and Diagnosis
>>
Powertrain Management
>>
Computers and Control Systems
>>
Description and Operation
>>
SFI System - Engine Control Systems
SFI System - Engine Control Systems
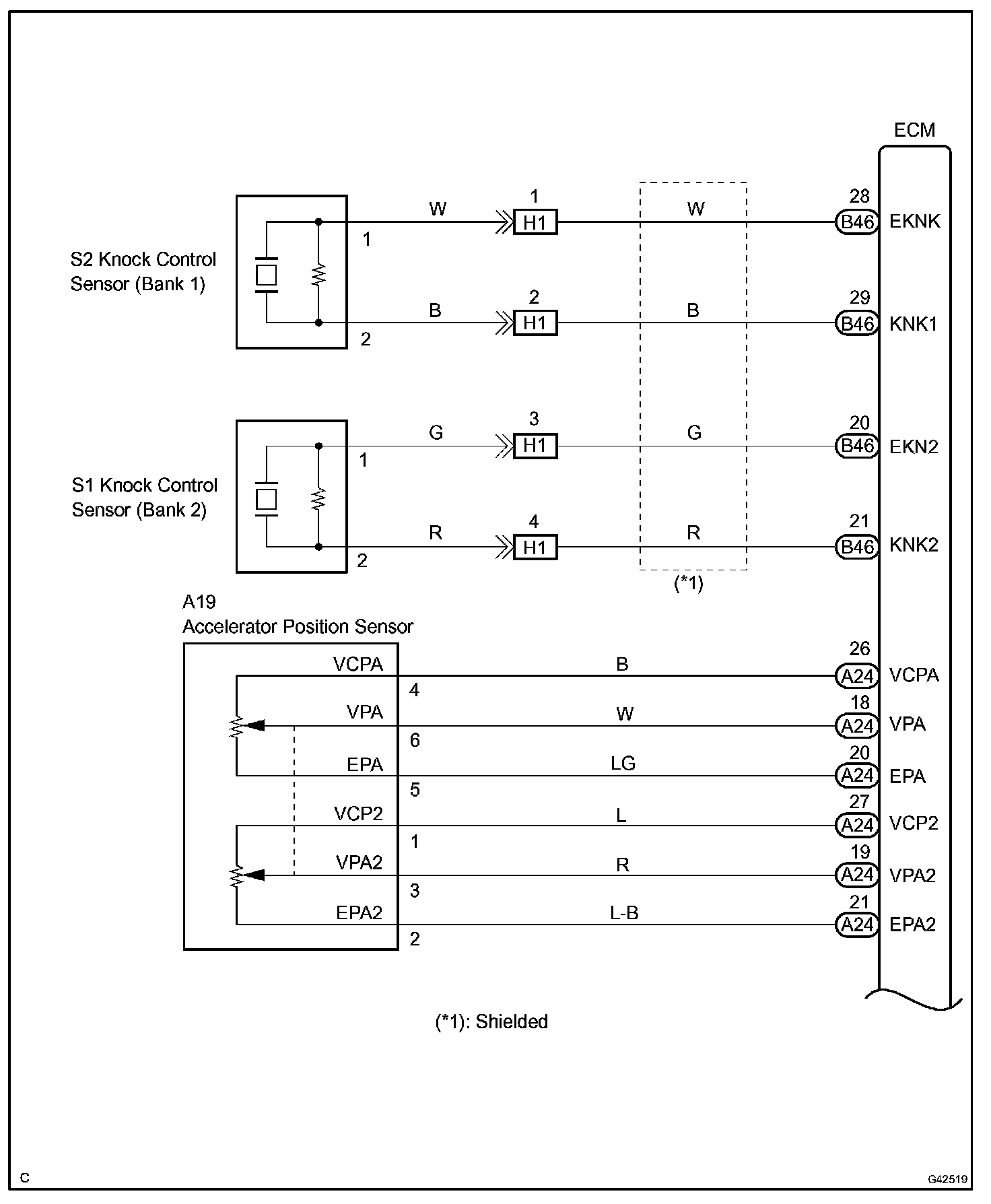
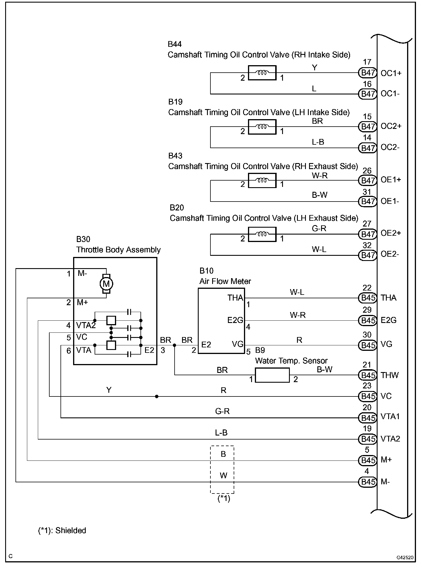
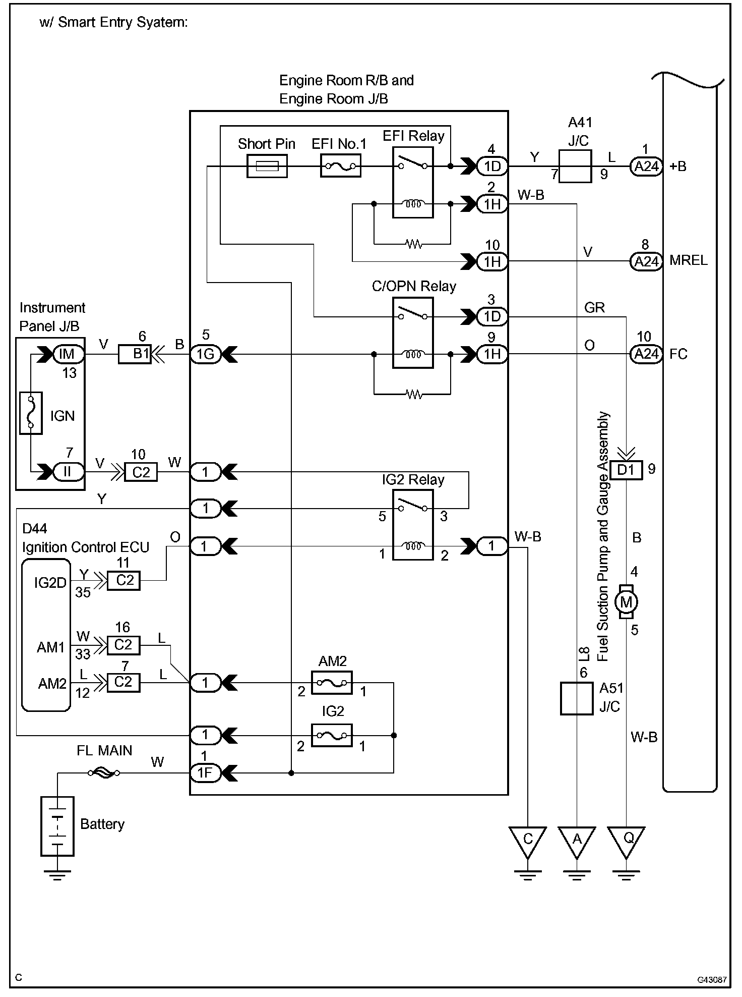
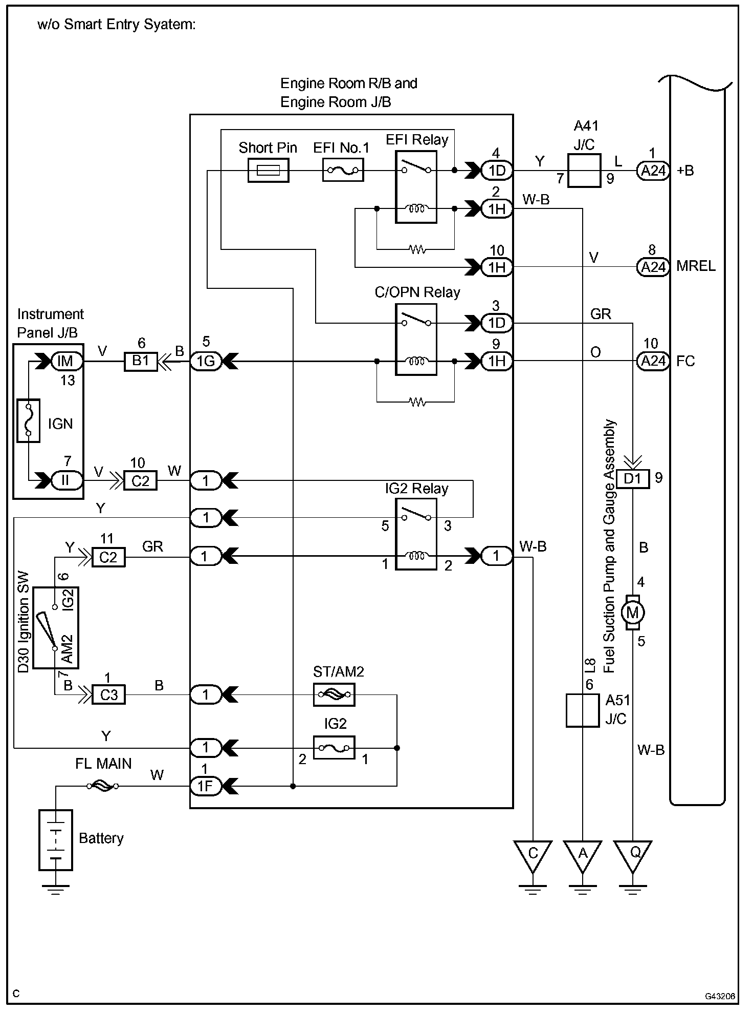
System Diagram:
System Diagram:
System Diagram:
System Diagram: