Curiosii for ever!
: Car repair manuals for everyone.
Home
>>
Toyota
>>
2005
>>
Avalon V6-3.5L (2GR-FE)
>>
Repair and Diagnosis
>>
Heating and Air Conditioning
>>
Control Module HVAC
>>
Locations
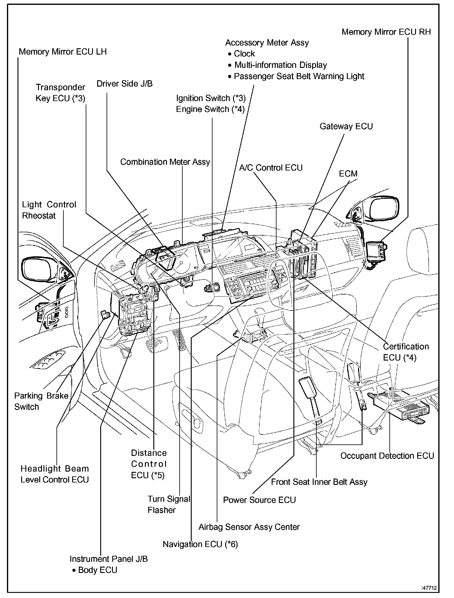
Control Module HVAC: Locations
Combination Meter: