Curiosii for ever!: Car repair manuals for everyone.

Cruise Control Switch Circuit

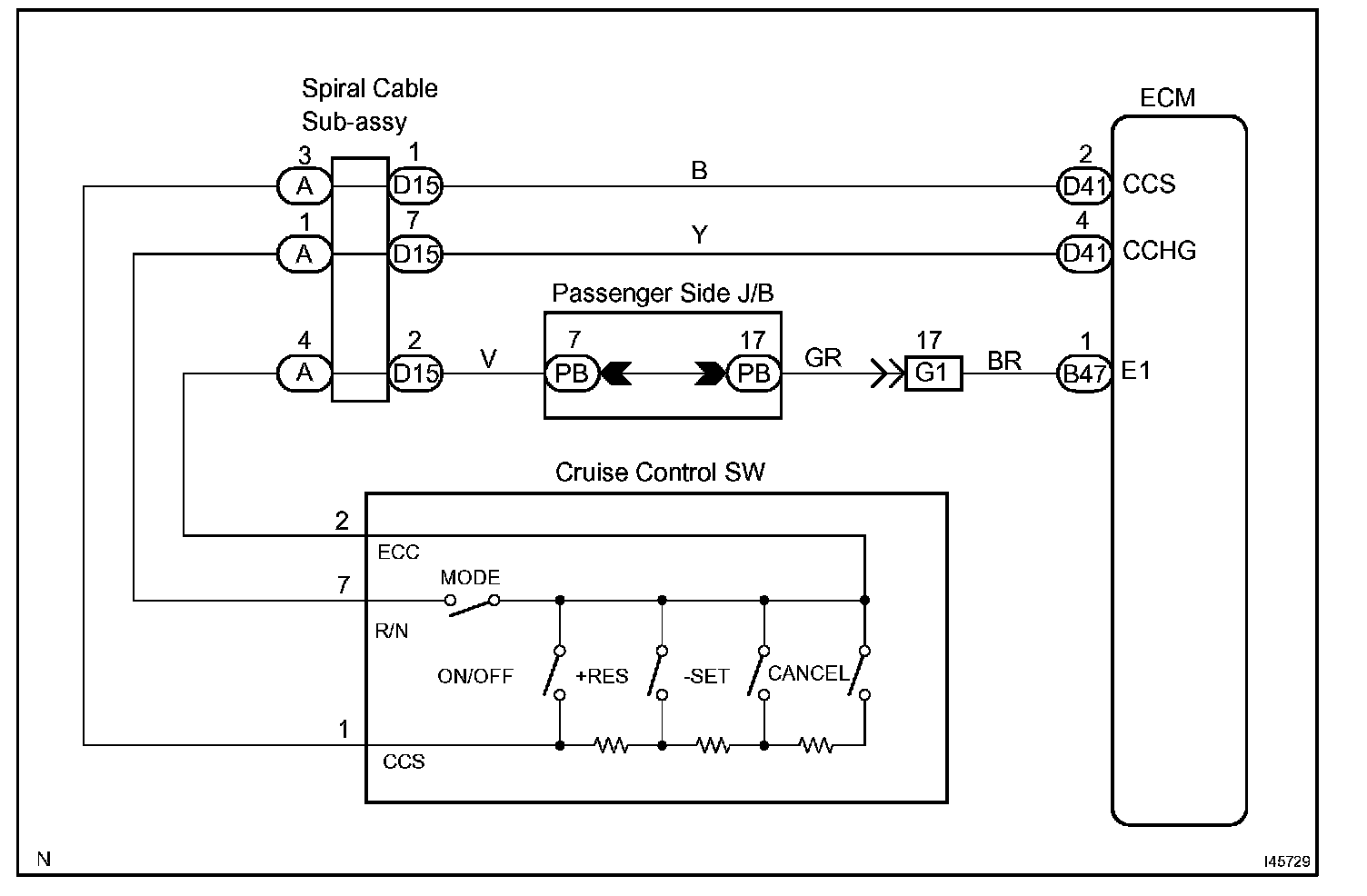
CRUISE CONTROL SWITCH CIRCUIT

CIRCUIT DESCRIPTION
The cruise control main switch operates eight functions: SET, COAST, TAP-DOWN, RESUME, ACCEL, TAP-UP, CANCEL and MODE. The SET, TAP-DOWN and COAST functions, and the RESUME, TAP-UP and ACCEL functions are operated with the same switch. The cruise control main switch is an automatic return type switch which turns on only while operating it in each arrow direction and turns off after releasing it. The internal contact point of the cruise control main switch is turned on with the switch operation. The ECM then reads the resistance value that has been changed by the switch operation to control MODE, SET, COAST, RESUME, ACCEL and CANCEL.

The dynamic laser cruise control system has two cruise control modes: the constant speed control mode and vehicle-to-vehicle distance control mode.
- The vehicle-to-vehicle distance control mode is always selected when starting up the dynamic laser cruise control system.
- The operation of the constant speed control mode is the same as that for the conventional type cruise control system.

Wiring Diagram:






Step 1:




Step 2:




Step 3:




Step 4:




INSPECTION PROCEDURE