Curiosii for ever!
: Car repair manuals for everyone.
Home
>>
Toyota
>>
2005
>>
Avalon V6-3.5L (2GR-FE)
>>
Repair and Diagnosis
>>
Accessories and Optional Equipment
>>
Navigation System
>>
Testing and Inspection
>>
Component Tests and General Diagnostics
>>
Power Source Circuit (Navigation Controller Assy)
Power Source Circuit (Navigation Controller Assy)
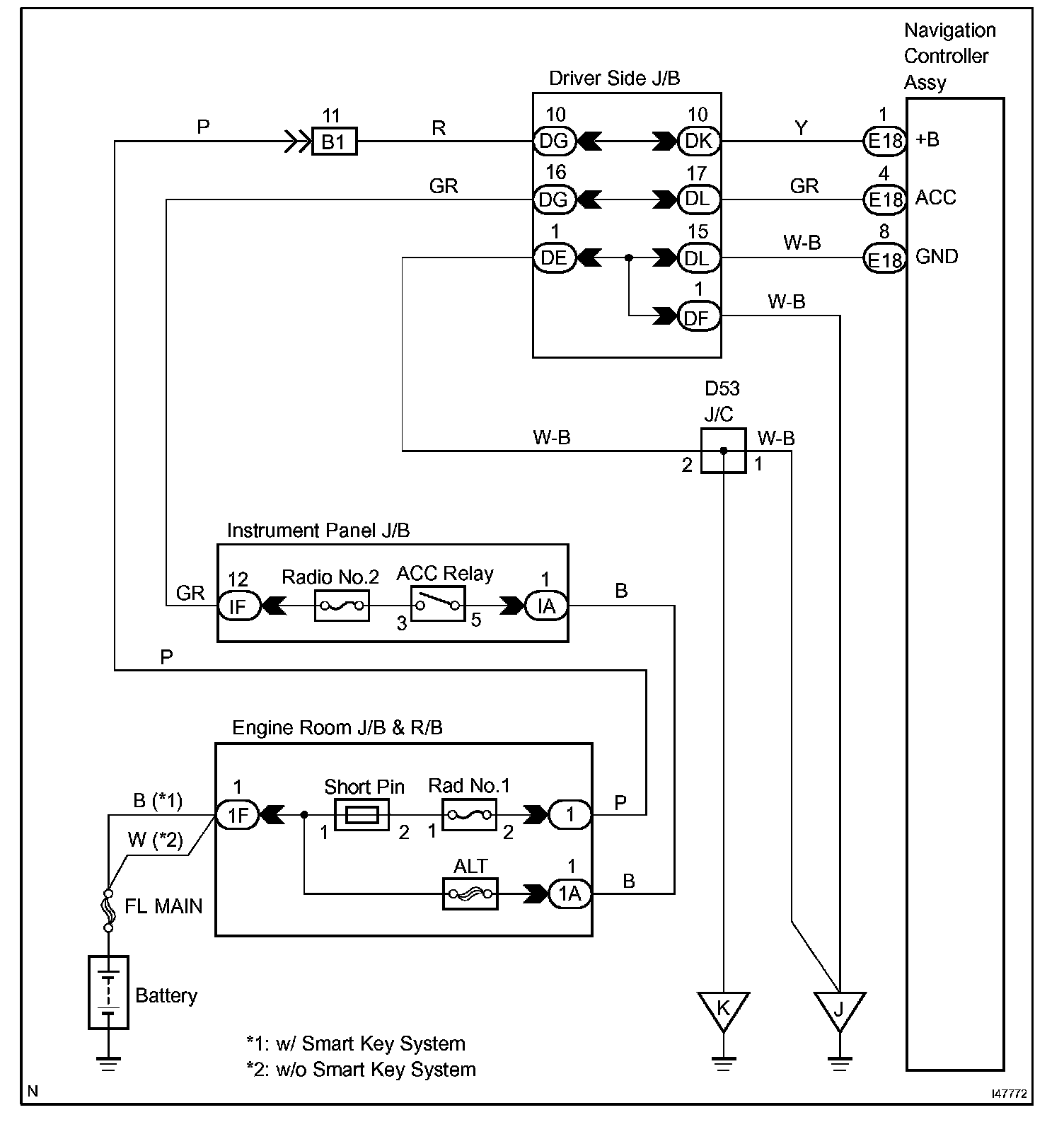
POWER SOURCE CIRCUIT (NAVIGATION CONTROLLER ASSEMBLY)
CIRCUIT DESCRIPTION
This circuit provides power to the navigation controller assembly.
Wiring Diagram:
Step 1:
INSPECTION PROCEDURE