Curiosii for ever!: Car repair manuals for everyone.

Display Signal Circuit (Navigation ECU - Multi Display)

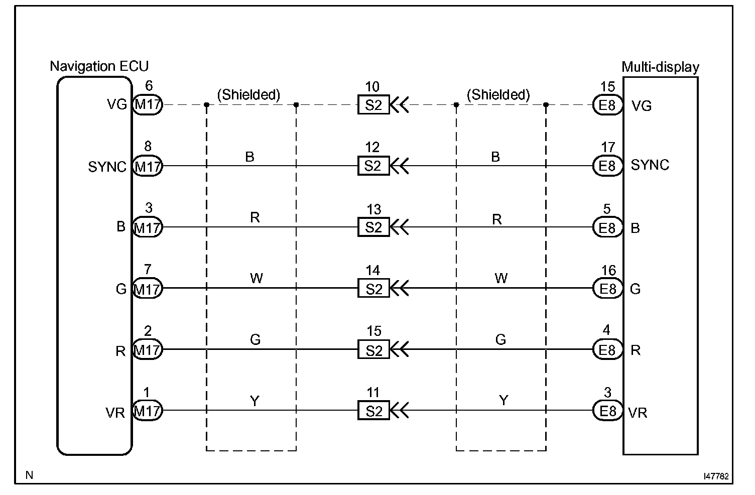
DISPLAY SIGNAL CIRCUIT (NAVIGATION ECU - MULTI-DISPLAY)

CIRCUIT DESCRIPTION
This is the display signal circuit from the navigation ECU to the multi-display.

Wiring Diagram:






Step 1:




Step 2:




INSPECTION PROCEDURE