Curiosii for ever!
: Car repair manuals for everyone.
Home
>>
Toyota
>>
2005
>>
Avalon V6-3.5L (2GR-FE)
>>
Repair and Diagnosis
>>
Accessories and Optional Equipment
>>
Antitheft and Alarm Systems
>>
Testing and Inspection
>>
Component Tests and General Diagnostics
>>
Smart Key System
>>
Touch Sensor Circuit
Touch Sensor Circuit
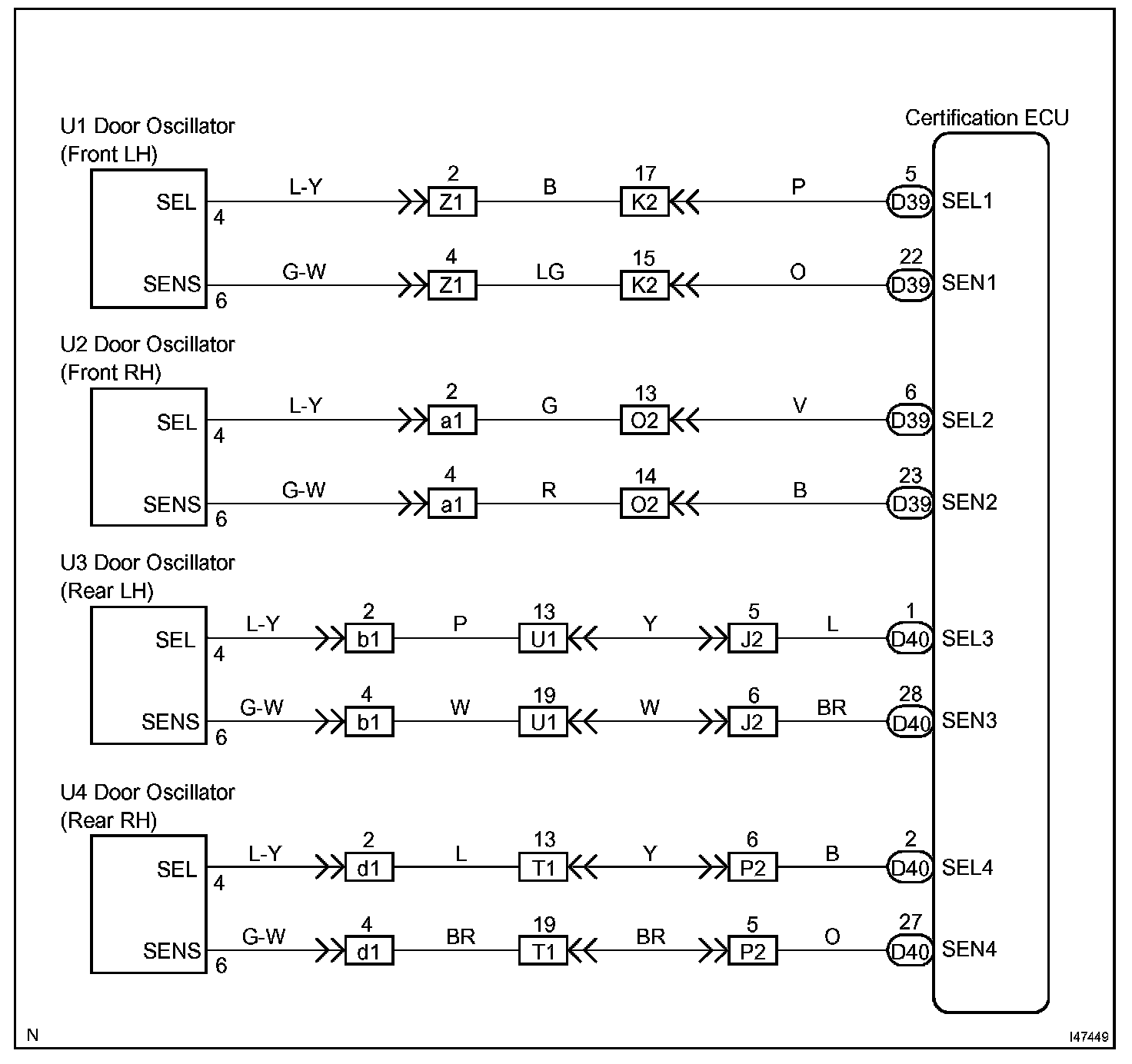
TOUCH SENSOR CIRCUIT
CIRCUIT DESCRIPTION
This circuit receives the signal indicating whether or not a touch sensor signal is detected.
Wiring Diagram:
Step 1:
Step 2:
Step 3:
Step 4:
INSPECTION PROCEDURE