Curiosii for ever!: Car repair manuals for everyone.

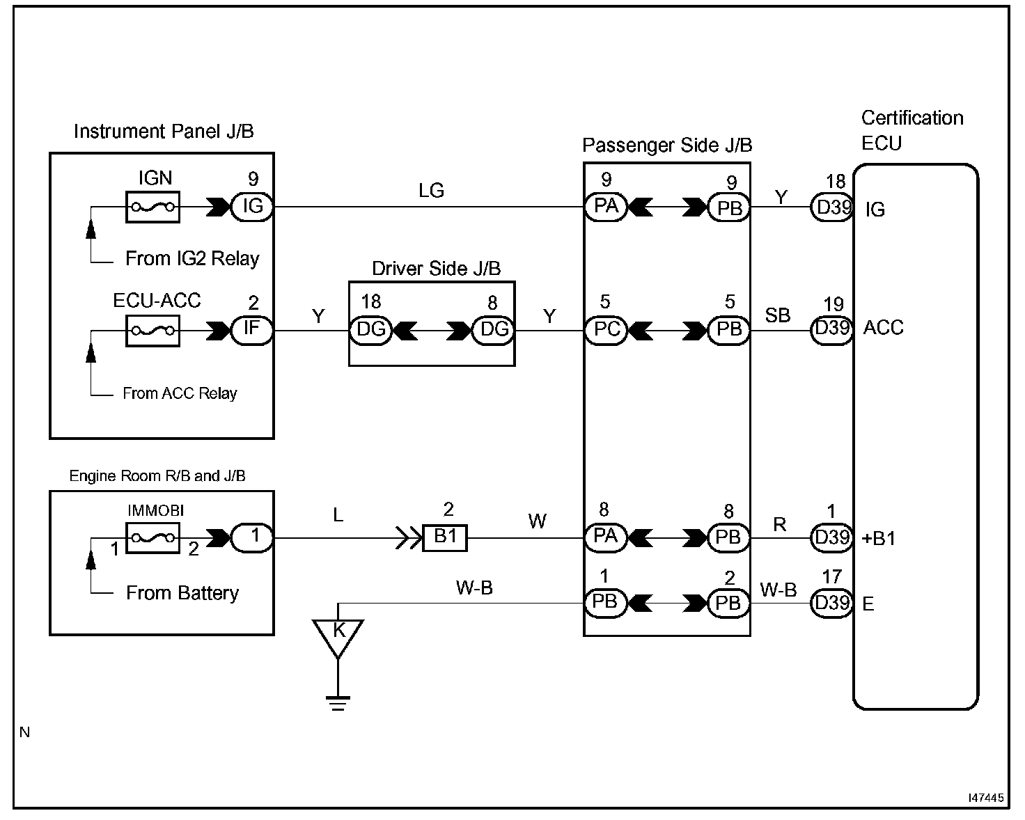
Certification ECU Power Source Circuit

CERTIFICATION ECU POWER SOURCE CIRCUIT

CIRCUIT DESCRIPTION
This is the power source circuit of the certification ECU.

The certification ECU controls the following:
- Key verification confirmation
- Cabin and door oscillator control
- Entry door LOCK/UNLOCK request to the body ECU
- Steering LOCK/UNLOCK request
- Immobilizer SET/UNSET request to the ID code box

Wiring Diagram:






Step 1:




INSPECTION PROCEDURE