Curiosii for ever!: Car repair manuals for everyone.

EVAP System

EVAP INSPECTION PROCEDURE

Contents:




CONTENTS

Related DTCs Of EVAP:




RELATED DTCS OF EVAP

CIRCUIT DESCRIPTION










When predetermined conditions (closed loop, etc.) are met, the EVAP VSV is opened and stored fuel vapor in the canister is purged to the intake manifold. The ECM changes duty-cycle to the EVAP VSV to control purge flow volume. Purge flow volume is determined by the intake manifold pressure. Atmospheric pressure is allowed into the canister through the vent valve (CCV) to ensure that purge flow is maintained when negative pressure (vacuum) is applied to the canister.

This EVAP system contains components as shown.

EVAP monitor

The EVAP monitor's purpose is to check for EVAP leaks and EVAP VSV and CCV malfunctions. The monitor performs the check by first introducing the intake manifold's negative pressure (vacuum) to the EVAP system. Then, the monitor records change in the EVAP system's pressure levels. The monitor runs when the following conditions are met:
- The engine is in a state of cold soak. During cold soak, the ECT and IAT are nearly equal and both are within 4 to 35°C (40 to 90°F).
- The vehicle is stopped and the engine is idling, or the vehicle is being driven at a steady speed.
- The EVAP pressure is stabilized (fuel in fuel tank is not strong).







Refer to the table and illustration for further details on the EVAP monitor processes.

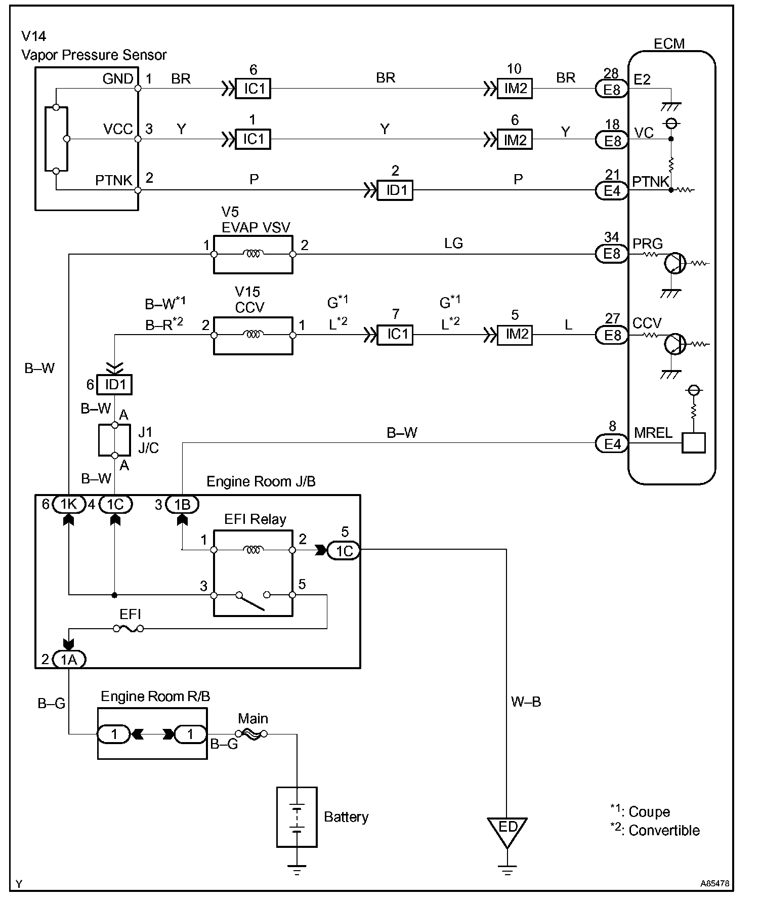
Wiring Diagram:






EVAP BASIC INSPECTION




Step 1:




Step 2 - 4:






HINT:
- Read freeze frame data using hand-held or OBD II scan tool. Freeze frame data records engine conditions when a malfunction is detected. When troubleshooting, freeze frame data can help determine if the vehicle was running or stopped, if the engine was warmed up or not, if the air-fuel ratio was lean or rich, and other data from the time the malfunction occurred.
- Check for pending DTCs. On the hand-held tester, enter the following menus:
DIAGNOSIS/ENHANCED OBD/DTC INFO/PENDING DTCS.

A pending DTC indicates that a monitor has failed during the first drive cycle (trip 1).

During the second drive cycle, there are 2 possibilities: 1) if the same failure occurs again (trip 2), the pending DTC will remain and a current DTC will be set; or 2) if the same failure does not occur again, the pending DTC will be cleared.

- Check for current DTCs. On the hand-held tester, enter the following menus:
DIAGNOSIS/ENHANCED OBD/DTC INFO/CURRENT DTCS.

A current DTC indicates that a monitor has failed for 2 consecutive drive cycles. If 40 consecutive drive cycles pass the monitor, the current DTC will be erased.

- A loose fuel cap may cause an intermittent malfunction. However, even if the fuel cap is loose, do not tighten the cap. Finish the hand-held tester EVAP system check and then repeat the entire inspection.
- Find the output DTC in the chart to determine which part of the EVAP system may be malfunctioning.

DESCRIPTION OF EVAP SYSTEM CHECK




The outline is as shown.

1. SYSTEM CHECK OVERVIEW







The EVAP system check is an organized method of identifying situations that may cause a monitor to fail. Use the check to troubleshoot the following DTCs.

The system check can also be used to confirm that repairs have been made properly. After repairing the EVAP system, perform the LEV II SYS CHECK again to confirm that the system is operating normally.

The EVAP system LEV II SYS CHECK is designed to confirm proper operation of the EVAP VSV and CCV, and determine if a leak or restriction is present in the system. During the check, the EVAP VSV and CCV are controlled in specific patterns to create negative pressure and/or restore ambient pressure to EVAP system. The hand-held tester displays the FTP sensor's value as these changes occur. By comparing the changes in the FTP sensor value to the expected results, suspect areas can be identified.

2. SYSTEM CHECK PREPARATION

Do not disturb the vehicle. Wiggling lines or tightening the gas cap before this test is conducted may affect the results of this test. The vehicle should be left in the condition it was in when the DTC was set.

NOTE: The EVAP system pressure can be affected by ambient temperature, pressure, and fuel level. This test is most accurate when the following conditions are met.
- The vehicle is at sea level and at an ambient pressure of approximately 762 mmHg-a (0 mmHg-g).
- The external fuel tank temperature is between 4 to 35°C (40 to 90°F).
- The fuel level in the fuel tank is approximately 1/4 to 3/4 full.

3. CONDUCT LEV II SYSTEM CHECK

Below are descriptions of these situations:
- When, during the LEV II SYS CHECK, the EVAP VSV is automatically closed or the LEV II SYS CHECK is automatically aborted.
- When a conversion of units is necessary.









NOTE: If the pressure drops below 740 mmHg-a (-22 mmHg-g) at any point during this test, the hand-held tester will close the EVAP VSV to prevent system damage.

If the pressure drops below 735 mmHg-a (-27 mmHg-g), the hand-held tester will abort the LEV II SYS CHECK.






HINT: If the vapor pressure value needs to be converted to a different unit standard, select the following menus on the hand-held tester: DIAGNOSIS/SETUP/UNIT CONVERSION/VAPOR PRESS.

(abs: 762 mmHg-a ambient pressure)
(gauge: 0 mmHg-g ambient pressure)

4. HAND-HELD TESTER OPERATION PROCEDURE TO PERFORM SYSTEM CHECK




a. Connect the hand-held tester to the DLC3.
b. Start the engine.
c. Enter the following menus:
DIAGNOSIS/ENHANCED OBD II/SYSTEM CHECK.




d. Select LEV II SYS CHECK.




e. Read the NOTICE and press ENTER.




f. Read the NOTICE and press ENTER.




g. Read the NOTICE and press ENTER.




h. Press ENTER.
i. Starting with the next step, perform inspections according to the hand-held tester system check displays.
j. Perform EVAP system check procedure.

SYSTEM CHECK PROCEDURE BY OPERATION OF HAND-HELD TESTER

NOTE: General information and cautions for this system check are described in the "DESCRIPTION OF EVAP SYSTEM CHECK".

Step 1:




Step 2:




Step 3:




Step 4:




Step 5:




Step 5 Continued:




Step 6:






HINT: First, perform the LEV II SYS CHECK to determine the system's condition.
a. Connect the hand-held tester to the DLC3.
b. Start the engine.
c. Enter the following menus: DIAGNOSIS/ENHANCED OBD II/SYSTEM CHECK/LEV SYS CHECK.

Before returning the vehicle to the customer; perform the following:
1. Delete all DTCs
2. Make sure the monitors pass
3. Perform a drive pattern test and confirm that no pending DTCs are recorded.

Step 1 - 2:




Step 2 (Continued) - 3:




AIR INLET RESTRICTION DIAGNOSTICS (SUB-DIAGNOSTIC PROCEDURE)

NOTE: Before starting this procedure, perform the "EVAP SYSTEM CHECK".

Step 1:




EVAP VSV DIAGNOSIS (SUB-DIAGNOSTIC PROCEDURE)

NOTE: Before starting this procedure, perform the "EVAP SYSTEM CHECK".

Step 1 - 2:




Step 3 - 4:




LITTLE OR NO VACUUM DRAWN ON SYSTEM (SUB-DIAGNOSTIC PROCEDURE)

NOTE: Before starting this procedure, perform the "EVAP SYSTEM CHECK".

HINT: The EVAP Pressure Tester procedures for checking the EVAP VSV are available.

EVAP VSV CLOSE MALFUNCTION CHECK (WHEN USING EVAP CONTROL SYSTEM TEST EQUIPMENT VACUUM GAUGE)

HINT: The EVAP control system test equipment vacuum gauge is useful for detecting when the EVAP VSV is stuck closed.

a. Check EVAP VSV operation.




1. Connect the pressure gauge (EVAP control system test equipment vacuum gauge) to the EVAP service port on the purge line.
2. Start the engine.
3. Enter the following menus: DIAGNOSIS/ENHANCED OBD II/ACTIVE TEST/EVAP VSV.
4. Activate the EVAP VSV through the ACTIVE TEST. Read the pressure gauge and check that negative pressure is present.

Standard:
Negative pressure is present.

If no negative pressure or pulsation is present, the EVAP VSV is most likely stuck closed. Proceed to the EVAP VSV check procedures.

Step 1 - 2:




Step 3 - 5:




Step 6 - 8:




LEAK CHECK PROCEDURE (SUB DIAGNOSTIC PROCEDURE)

NOTE: Before starting this procedure, perform the "EVAP SYSTEM CHECK".

HINT: The EVAP Pressure Tester procedures for checking the LEAK CHECK are available.

LEAK CHECK (WHEN USING EVAP CONTROL SYSTEM TEST EQUIPMENT VACUUM GAUGE)

HINT: The EVAP control system test equipment vacuum gauge is useful for finding leaks.

a. Get the base-line reading of the system leak.

HINT: First make a note of the change in pressure within the system. Then, use this note as a criteria for steps (b) to (c).




1. Connect the pressure gauge (EVAP control system test equipment vacuum gauge) to the EVAP service port on the purge line.
2. The ignition switch is ON but the engine is not running.
3. Enter the following menus: DIAGNOSIS/ENHANCED OBD II/ACTIVE TEST/CAN CTRL VSV.

Press the right arrow key.

4. Close the CCV (CCV is ON).




5. From the EVAP service port, apply 786 to 790 mmHg-a (24 to 28 mmHg-g) of pressure. Do not apply pressure continuously for more than 45 seconds.

Once pressure is added, maintain the pressure and seal the system.

NOTE: Do not add more than 797 mmHg-a (35 mmHg-g) of pressure. The EVAP system will be damaged.

6. Wait for 2 minutes, and then read the pressure gauge and record the values.

Standard:
The pressure should not drop below 777 mmHg-a (15 mmHg-g) after 2 minutes.

Make a note of the rate of decrease indicated by the pressure gauge for steps (b) to (c).

b. Check the gas cap for internal leaks.
(When using EVAP TESTER GAS CAP ADAPTOR)

1. Connect the fuel tank cap to the gas cap adaptor. Then connect the pressure supply hose from the EVAP pump.
2. Install the vacuum plug on another open port.
3. Apply pressure to the gas cap adaptor for 45 seconds or until the pressure reaches 786 to 790 mmHg-a (24 to 28 mmHg-g).
4. Once pressure is added, maintain the pressure and seal the system.
5. Wait for 2 minutes, and then read the pressure gauge and record the values.

Standard:
The pressure should be above 777 mmHg-a (15 mmHg-g) after 2 minutes.

If value is not specified, replace the fuel tank cap.

c. Eliminate the CCV as a source of leakage.




1. If a leak was found in step (a), follow the procedures below.
2. Disconnect the air inlet line from the CCV port, close the CCV port using your hand and seal the system.
3. Repeat step (a).
4. Wait for 2 minutes, and then read the FTP sensor values.

Standard:
The pressure should be above 777 mmHg-a (15 mmHg-g) after 2 minutes.

HINT: If the pressure gauge value is above 777 mmHg-a (15 mmHg-g), CCV leaks are present.

If value is not specified, replace the CCV.

d. Check for EVAP leaks.




1. If a leak was found in step (a), follow the procedures below.
2. The ignition switch is ON but the engine is not running.
3. Enter the following menus: DIAGNOSIS/ENHANCED OBD II/ACTIVE TEST/CAN CTRL VSV.

Press the right arrow key.

4. Close the CCV (CCV is ON).
5. From the EVAP service port, add 786 to 790 mmHg-a (24 to 28 mmHg-g) of pressure.

Do not apply pressure continuously for more than 45 seconds.

6. Once pressure is added, maintain pressure and seal the system.
7. Check for leaks in the system.

HINT:
- If the system has leaks, a whistling sound will be heard.
- Pressurize the system and spray soapy water on suspect components. Bubbles will indicate where leaks are.

Recommended components to check first:
- EVAP service port
- Charcoal canister
- Hose connections/Lines
- Fuel cap
- Fuel filler neck
- Purge line
- VSV's
- Fuel pump sending unit

Step 1 - 2:




Step 3 - 4:




Step 5:




CCV CHECK PROCEDURE (SUB-DIAGNOSTIC PROCEDURE)

Step 1 - 2:




Step 3 - 4:




Step 4 (Continued) - 5:




Step 6:




EVAP VSV CHECK PROCEDURE (SUB-DIAGNOSTIC PROCEDURE)