Curiosii for ever!: Car repair manuals for everyone.

Power Windows Do Not Operate Using All Window Switch

POWER WINDOWS DO NOT OPERATE USING ALL WINDOW SWITCH

CIRCUIT DESCRIPTION

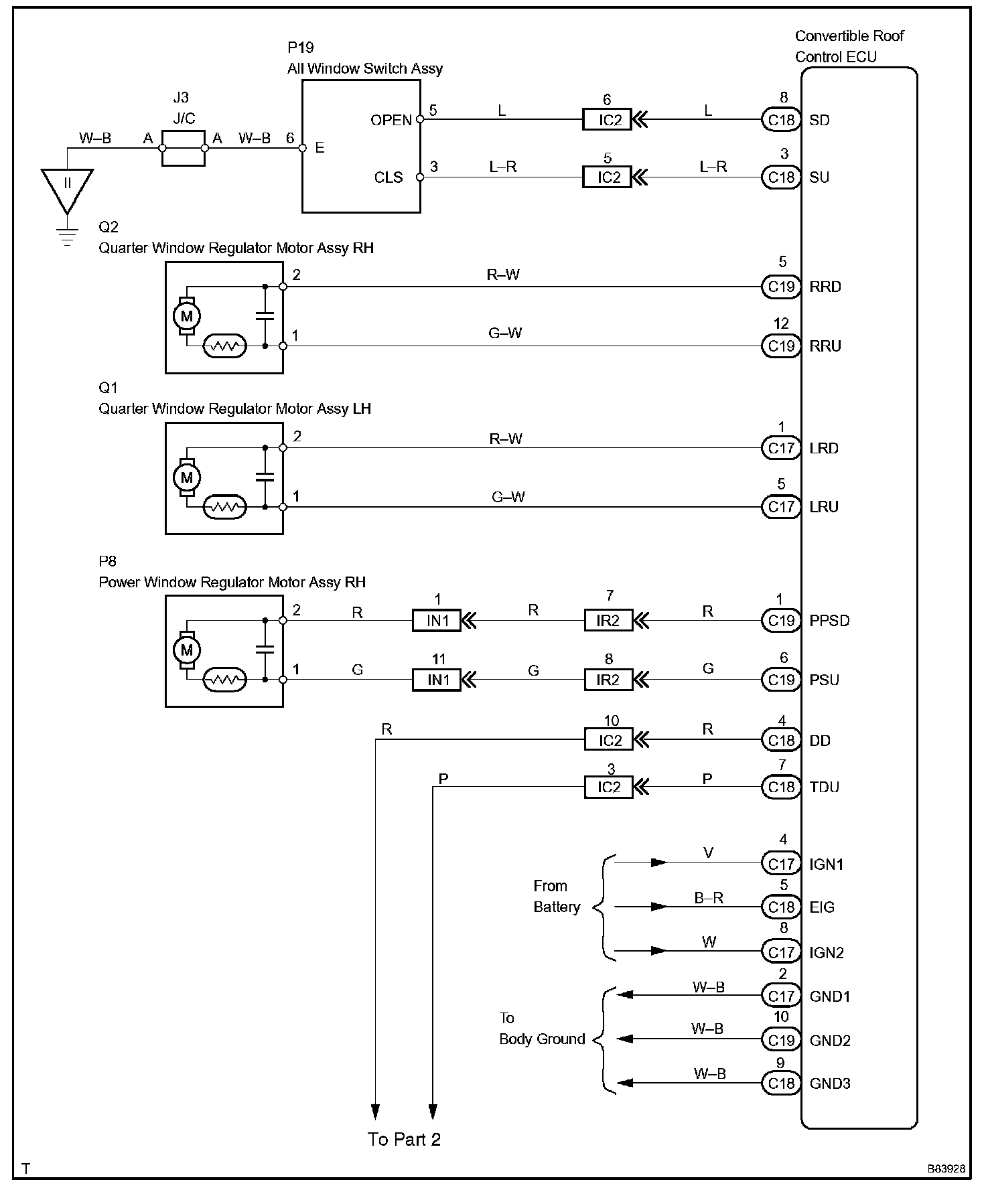
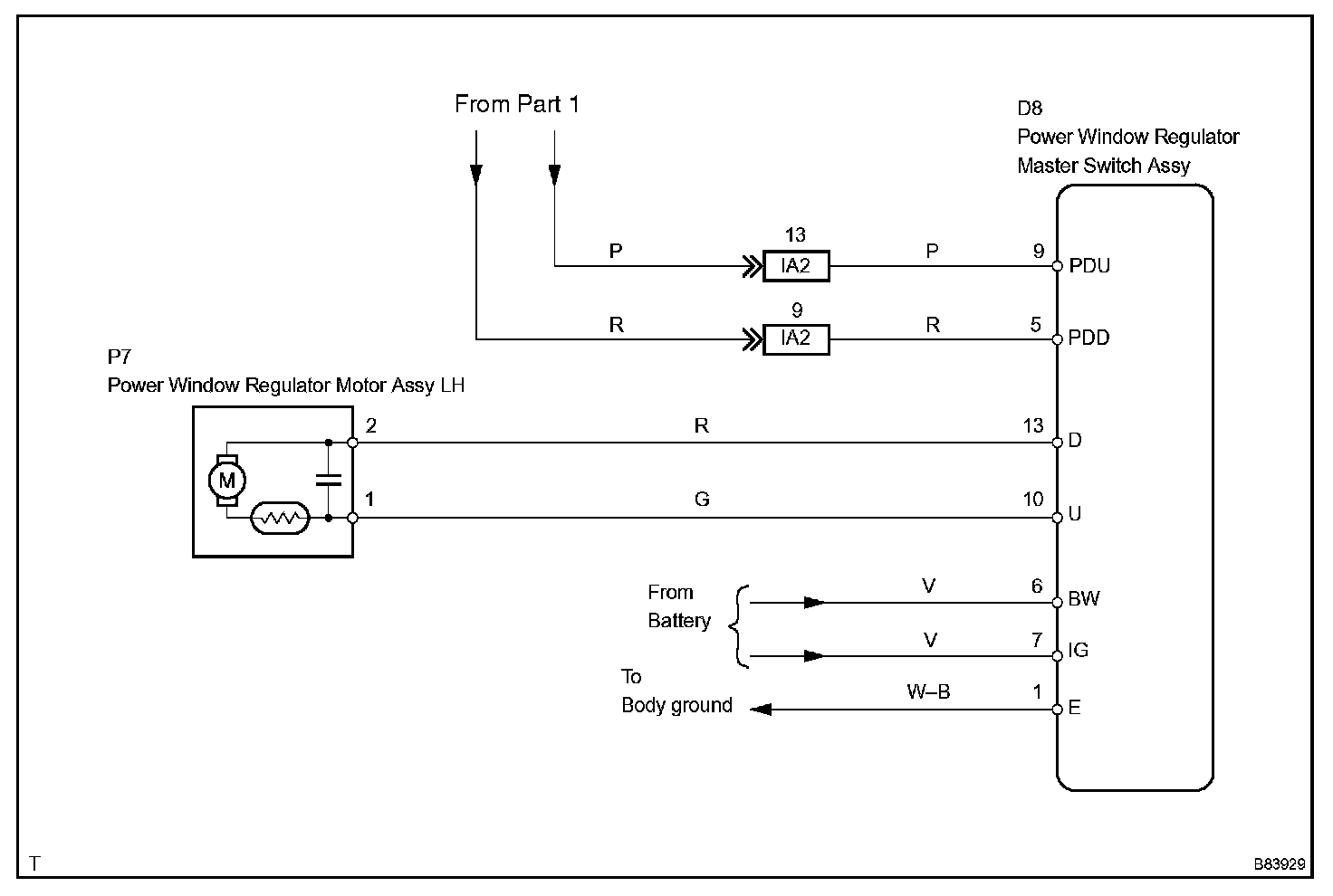
The all window switch can operate all the power windows. The all window switch outputs signals to the convertible roof control ECU which activates the passenger, quarter LH/RH window regulator motors directly. For the driver window regulator motor, the convertible control ECU outputs signals to the master switch, and the master switch activates the driver window regulator motor.

Wiring Diagram Part 1:




Wiring Diagram Part 2:






Step 1 - 2:




Step 3 - 6:




Step 7:




Step 8 - 9:




INSPECTION PROCEDURE