Component Tests and General Diagnostics
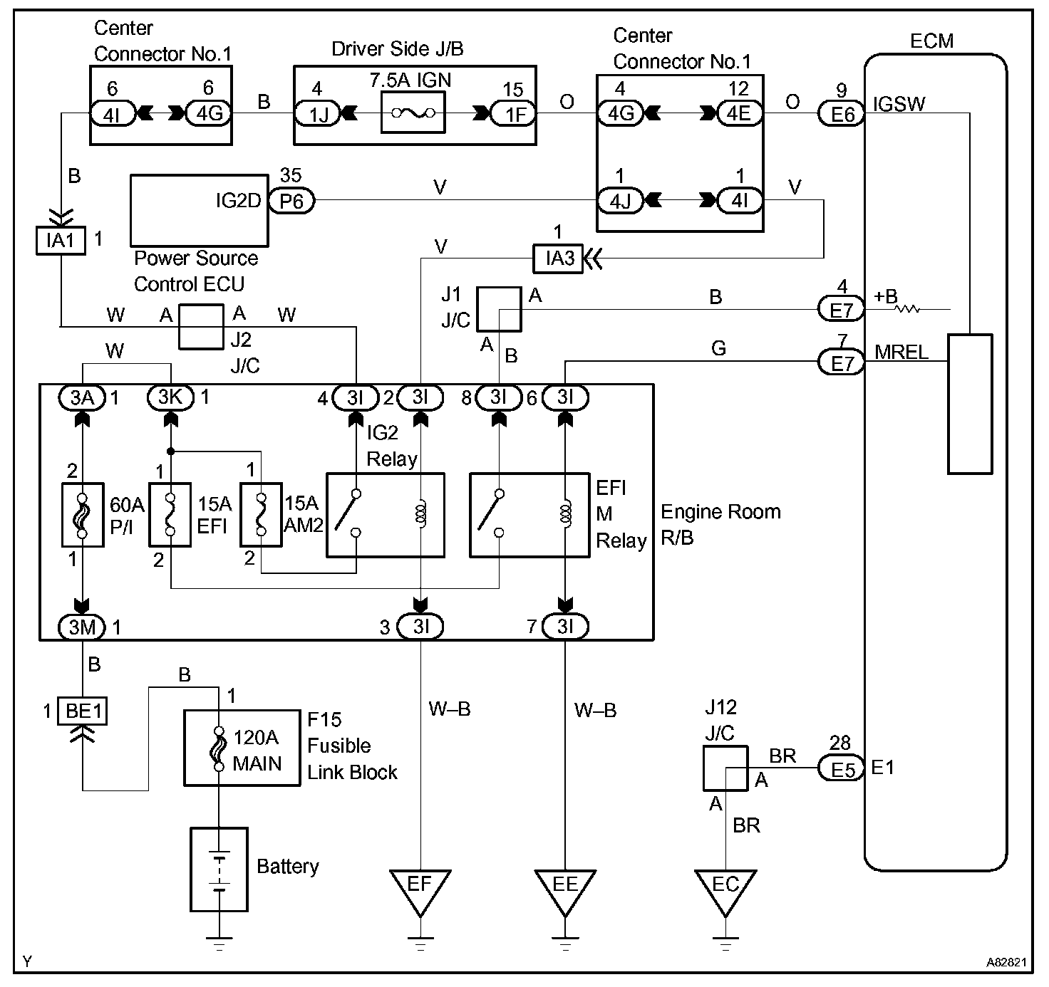
ECM POWER SOURCE CIRCUITCIRCUIT DESCRIPTION
The power source circuit of the hybrid system differs from the conventional power source circuit in the method in which the battery voltage is supplied to IGSW terminal of the ECM. The hybrid system has adopted one relay to serve as an ignition switch, which is controlled by the power source control ECU.
When the HV system is turned ON, the power source control ECU actuates the IG2 relay, which applies the battery voltage to IGSW terminal of the ECM. This causes the MREL terminal to transmit a signal to the EFI M relay. Then, the current that passes through the contact points of the EFI M relay (which is actuated by the MREL signal) flows to the +B terminal of the ECM.
When the power switch is turned OFF, the ECM keeps the EFI M relay ON for a maximum of 2 seconds, in order to initialize the throttle valve.
Wiring Diagram:
Step 1 - 3:
Step 4 - 5:
Step 6 - 8:
Step 9:
Step 10:
INSPECTION PROCEDURE