Curiosii for ever!
: Car repair manuals for everyone.
Home
>>
Toyota
>>
2004
>>
Matrix 2WD L4-1.8L (2ZZ-GE)
>>
Repair and Diagnosis
>>
Accessories and Optional Equipment
>>
Navigation System
>>
Testing and Inspection
>>
Symptom Related Diagnostic Procedures
>>
Symptom Diagnostic Procedures
>>
Map Disc Cannot be Inserted
Map Disc Cannot be Inserted
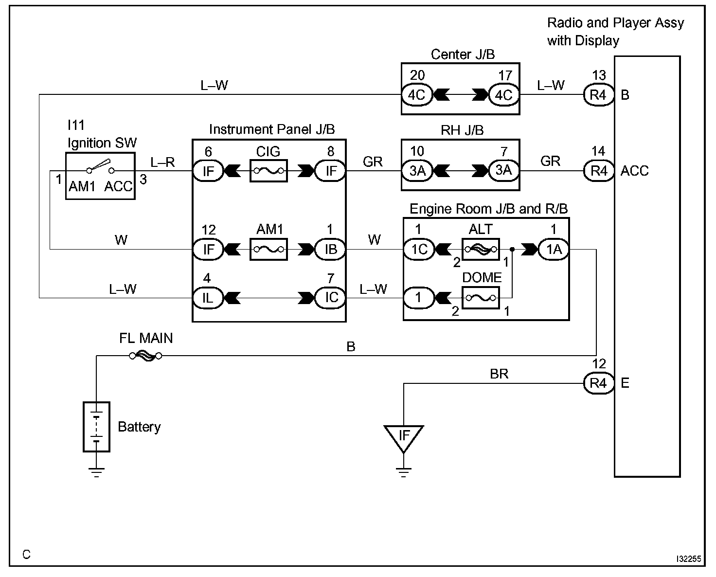
Wiring Diagram:
Step 1:
INSPECTION PROCEDURE