Curiosii for ever!: Car repair manuals for everyone.

Transmission Control Systems

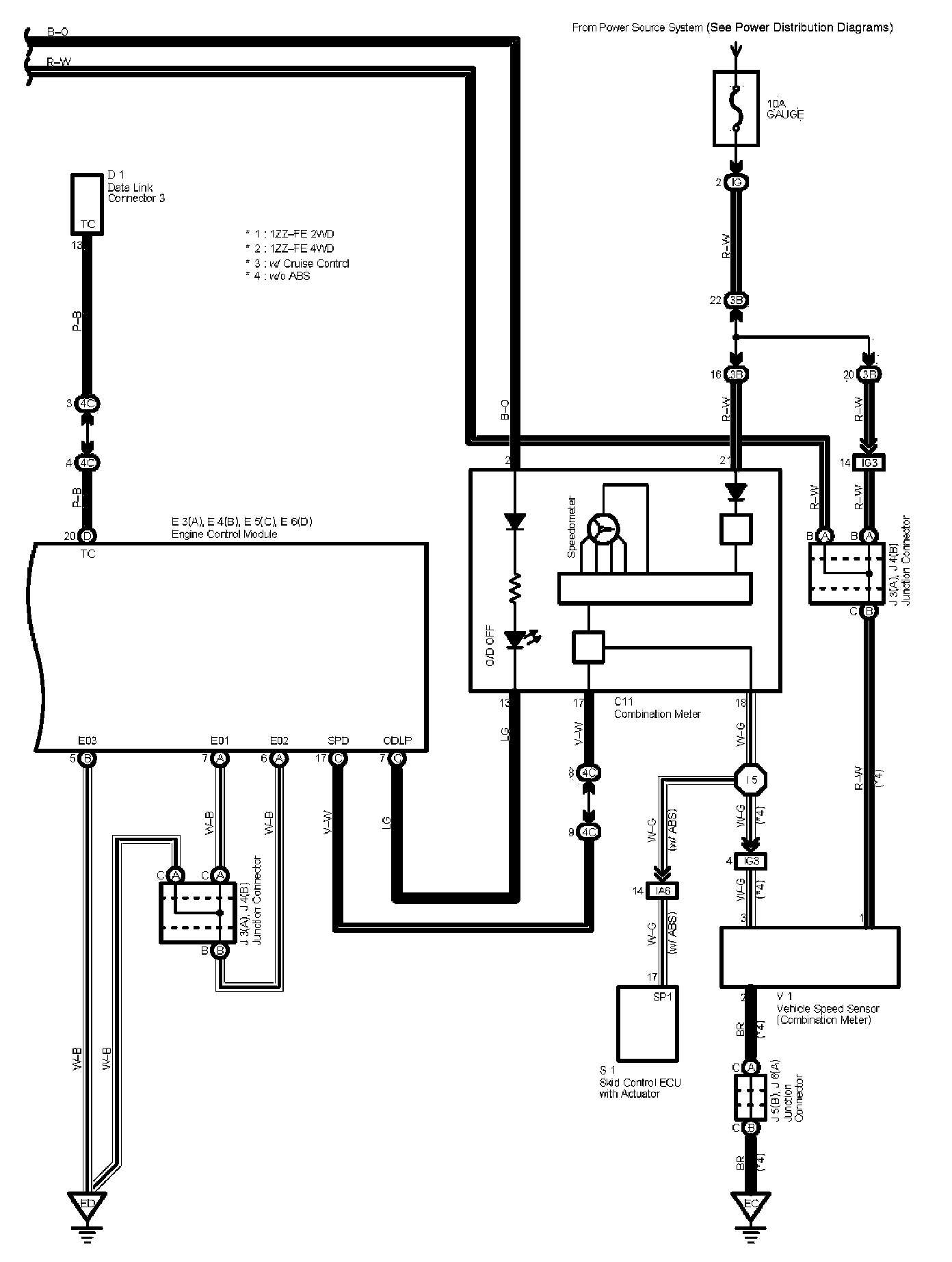
Electronically Controlled Transmission Part 1:




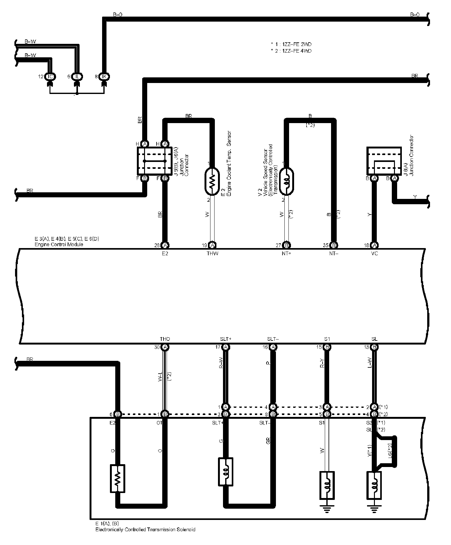
Electronically Controlled Transmission Part 2:




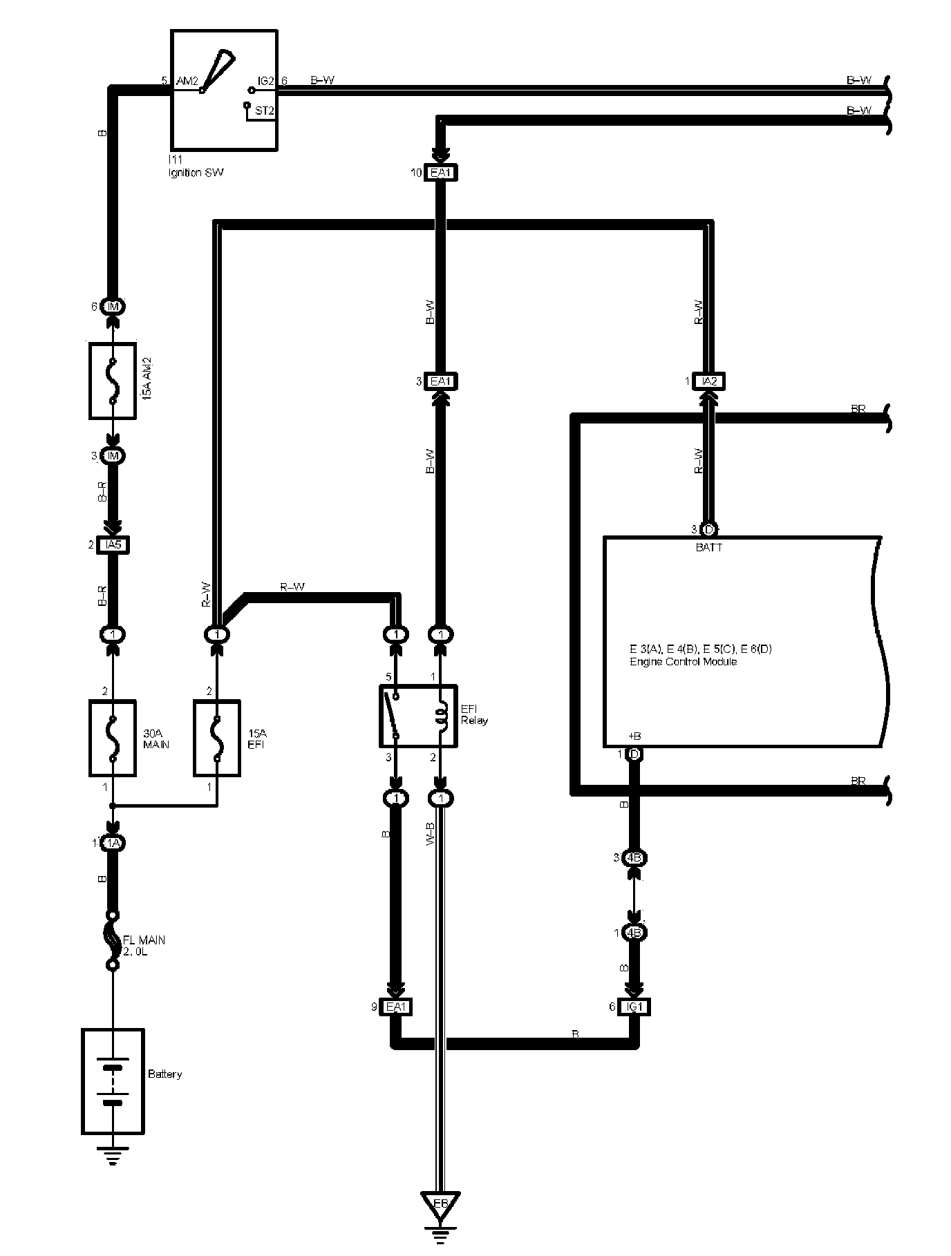
Electronically Controlled Transmission Part 3:




Electronically Controlled Transmission Part 4:




Diagram Legend:






Locations: The locations of components, connectors, ground points, and splices referred to within these diagrams can be found at Vehicle Locations. Locations

Connector Views: The connector views for connectors referred to within these diagrams can be found at the Vehicle level Connector Views. Connector Views