Curiosii for ever!: Car repair manuals for everyone.

Engine Control Part 8

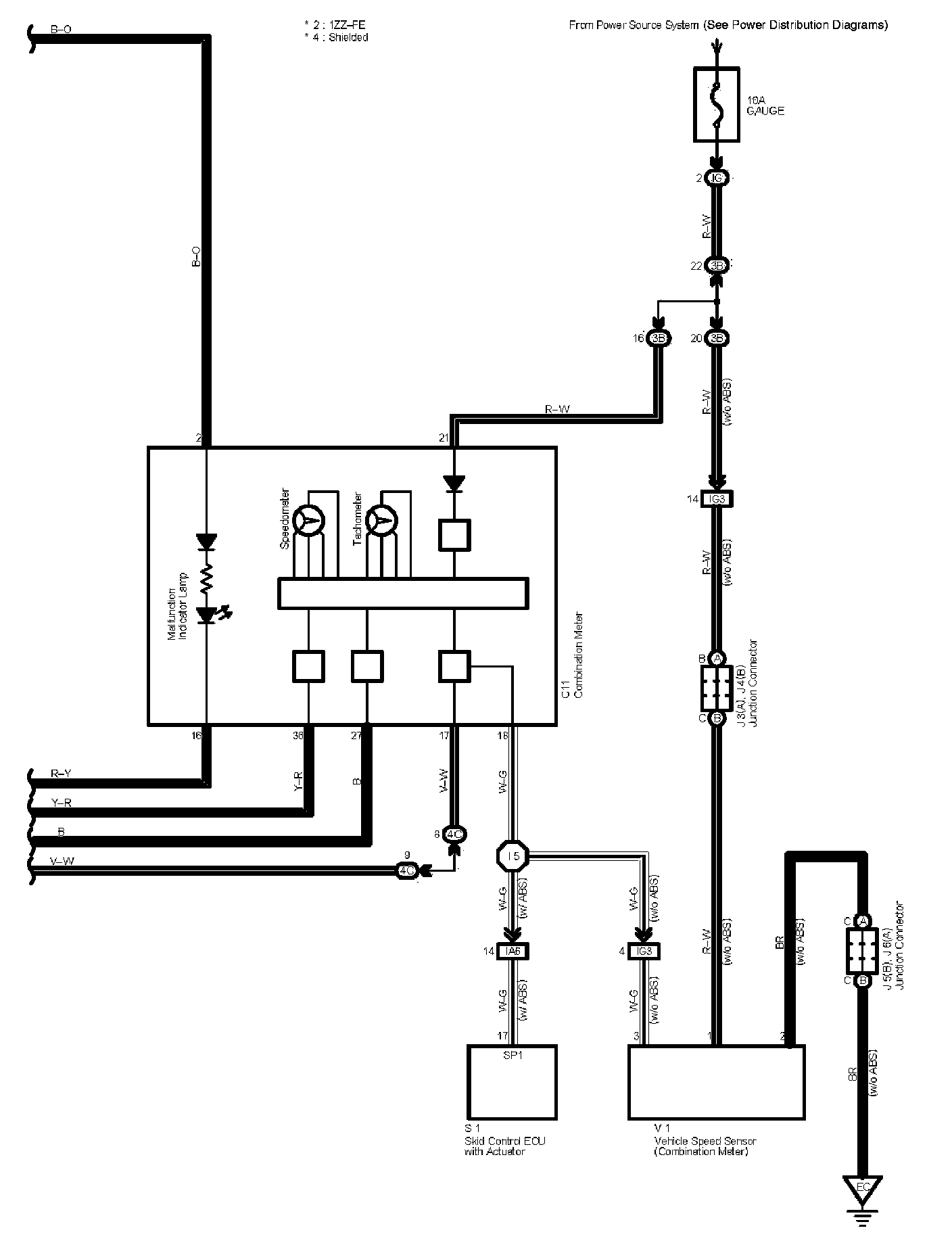
Engine Control Part 8:




Diagram Legend Part 1:




Diagram Legend Part 2:






Previous Diagram Engine Control Part 7

Locations: The locations of components, connectors, ground points, and splices referred to within these diagrams can be found at Vehicle Locations. Locations

Connector Views: The connector views for connectors referred to within these diagrams can be found at the Vehicle level Connector Views. Connector Views