Curiosii for ever!: Car repair manuals for everyone.

Key Confinement Prevention Function Doesn't Work Properly

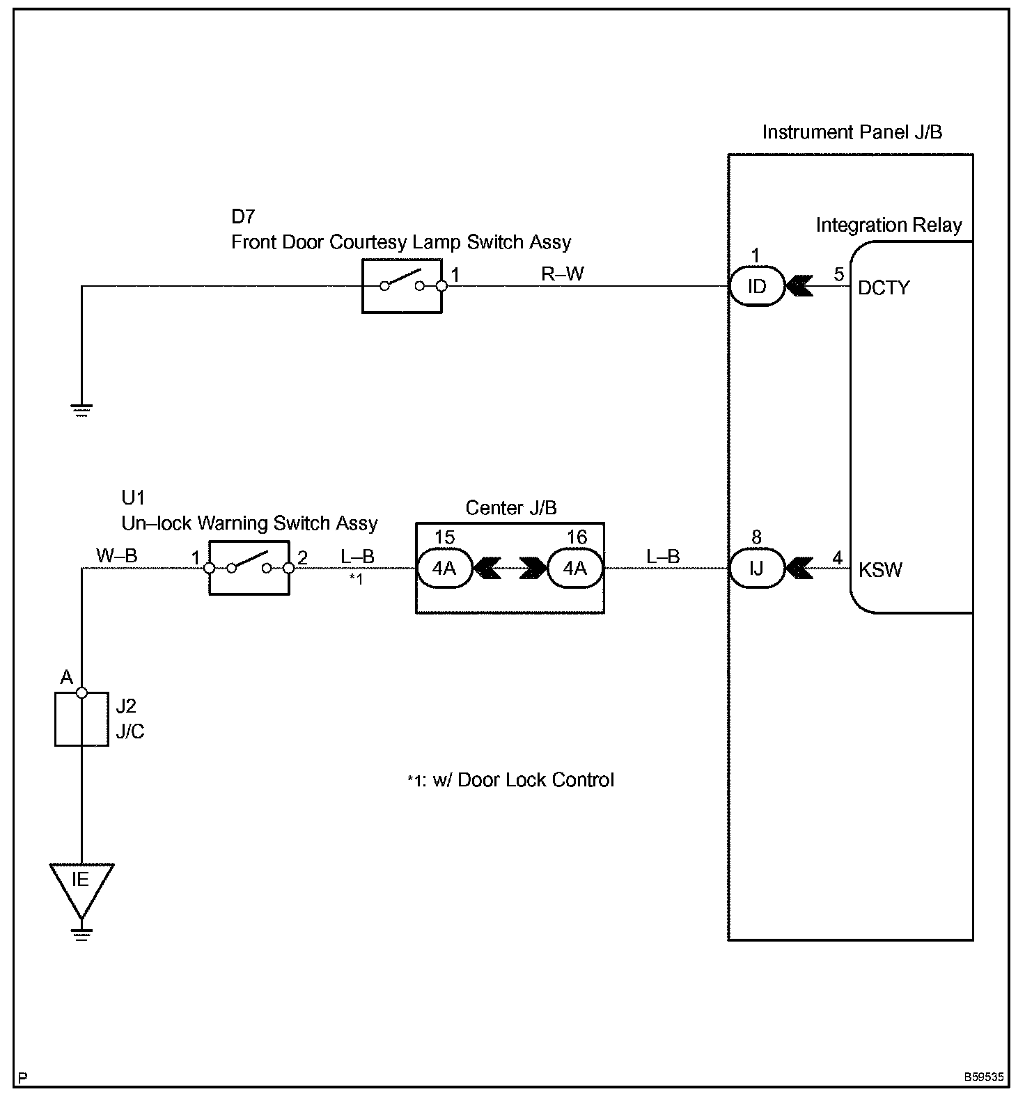
KEY CONFINEMENT PREVENTION FUNCTION DOES NOT WORK PROPERLY (UNLOCK WARNING SWITCH CIRCUIT)

CIRCUIT DESCRIPTION

The unlock warning switch turns on when the key is inserted in the ignition key cylinder and the door courtesy switch turns on when the driver's door is opened, and the integration relay monitors both switches conditions.

According to these switches conditions, the integration relay controls the door locking operation not to lock the doors while both switches are on, in order to prevent the key from being confined.

Wiring Diagram:






Step 1 - 2:




Step 3 - 4:




INSPECTION PROCEDURE