Curiosii for ever!
: Car repair manuals for everyone.
Home
>>
Toyota
>>
2004
>>
MR2 Spyder L4-1.8L (1ZZ-FE)
>>
Repair and Diagnosis
>>
Transmission and Drivetrain
>>
Automatically Shifted Manual Transmission/Transaxle
>>
Control Module
>>
Testing and Inspection
>>
Component Tests and General Diagnostics
Component Tests and General Diagnostics
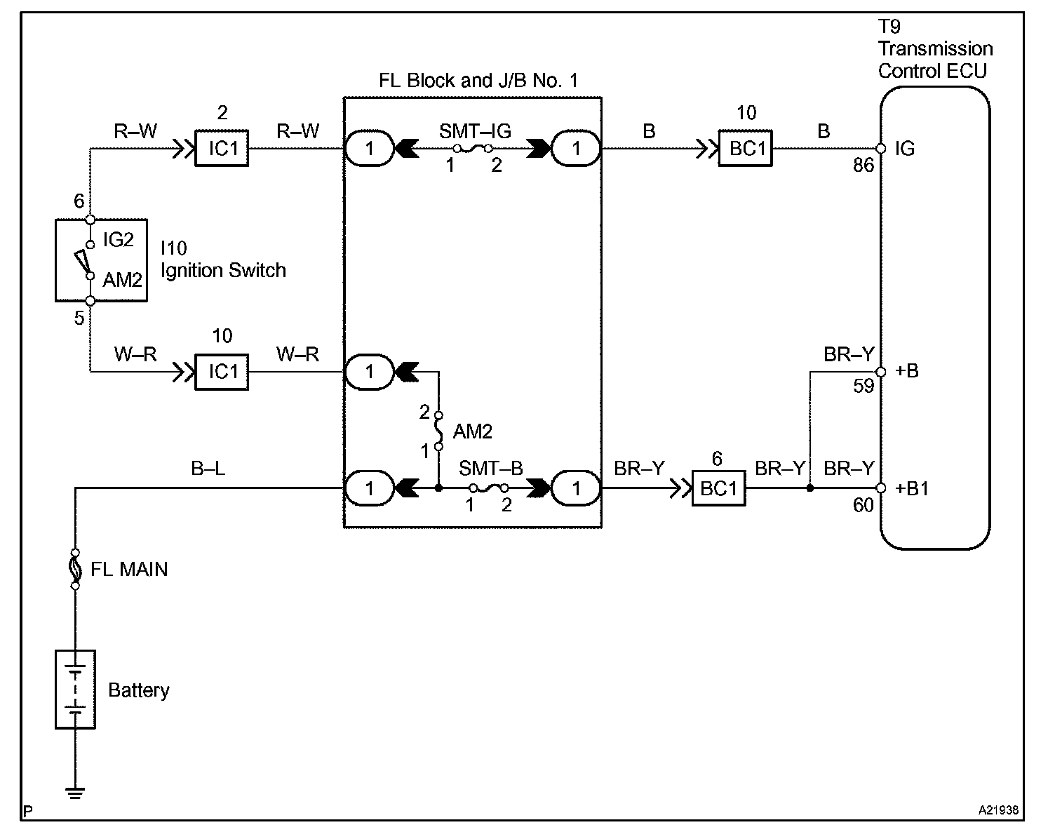
TRANSMISSION CONTROL ECU
POWER SOURCE
Wiring Diagram:
Step 1 - 3:
INSPECTION PROCEDURE