Curiosii for ever!: Car repair manuals for everyone.

Ignition Switch Power Source Circuit

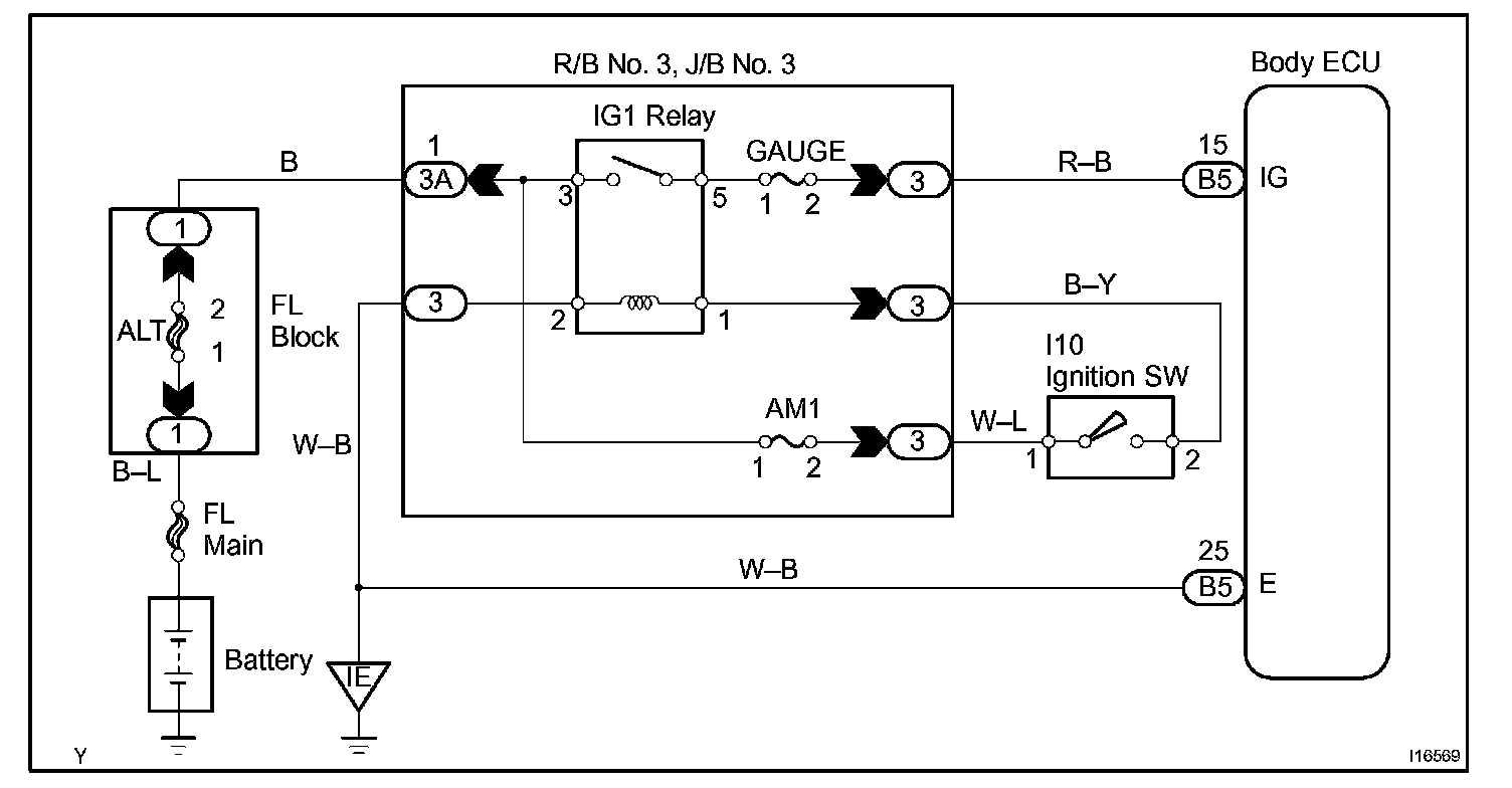
IGNITION SWITCH POWER SOURCE CIRCUIT

CIRCUIT DESCRIPTION

When the ignition switch is turned to the ON position, battery positive voltage is applied to terminal IG of the body ECU.

Wiring Diagram:






Step 1:




Step 2 - 4:




Step 5:




INSPECTION PROCEDURE