Curiosii for ever!
: Car repair manuals for everyone.
Home
>>
Toyota
>>
2004
>>
Celica L4-1.8L (2ZZ-GE)
>>
Repair and Diagnosis
>>
Diagrams
>>
Exploded Views
>>
Engine
>>
Cylinder Head Assembly
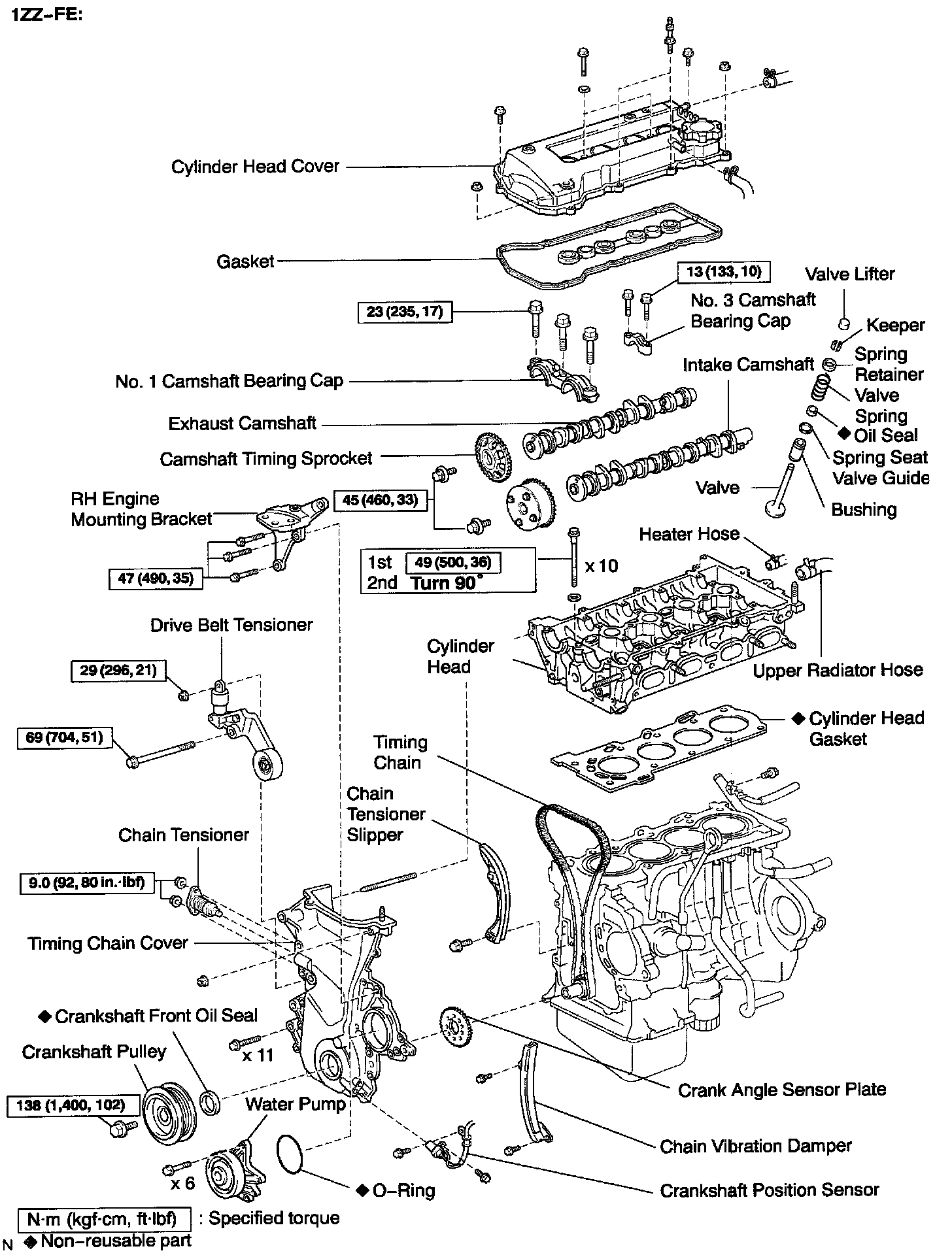
Cylinder Head Assembly
Part 1 Of 6:
Part 2 Of 6:
Part 3 Of 6:
Part 4 Of 6:
Part 5 Of 6:
Part 6 Of 6:
CYLINDER HEAD REPLACEMENT AND OVERHAUL W/ RELATED COMPONENTS