Curiosii for ever!: Car repair manuals for everyone.

Check CAN Bus Line (CAN-L) For Short to +B

CHECK CAN BUS LINE (CAN-L) FOR SHORT TO +B

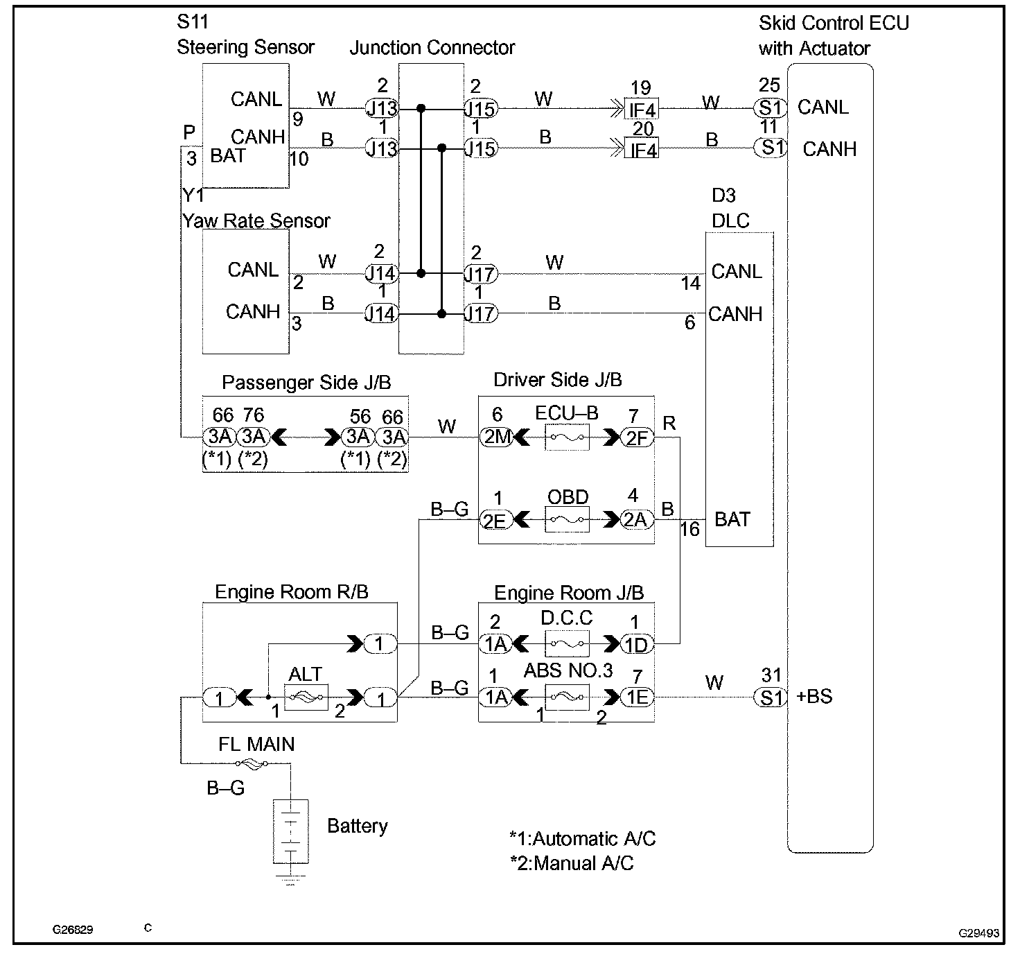
CIRCUIT DESCRIPTION




A short to the +B is suspected in the CAN bus line when there is continuity between terminals 16 (BAT) and 14 (CANL) of the DLC3.

Wiring Diagram:






Step 1:




Step 2 - 3:




Step 4 - 5:




Step 6:




Step 7:




INSPECTION PROCEDURE