Curiosii for ever!
: Car repair manuals for everyone.
Home
>>
Toyota
>>
2004
>>
Camry L4-2.4L (2AZ-FE)
>>
Repair and Diagnosis
>>
Body and Frame
>>
Seats
>>
Diagrams
>>
Exploded Views
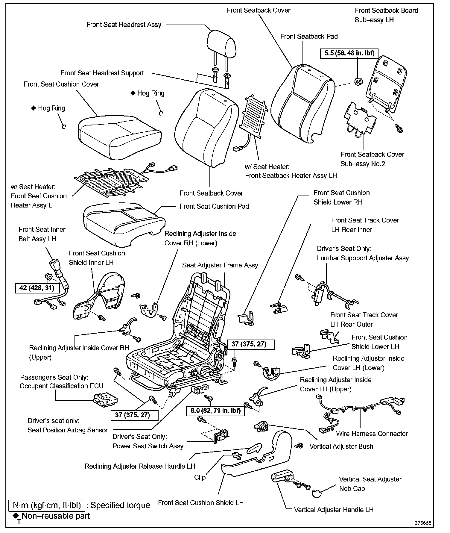
Exploded Views
Front Seat Assembly (Power Seat Type):
Front Seat Assembly (Manual Seat Type):
Rear Seat Assembly: