Curiosii for ever!
: Car repair manuals for everyone.
Home
>>
Toyota
>>
2004
>>
Avalon V6-3.0L (1MZ-FE)
>>
Repair and Diagnosis
>>
Diagrams
>>
Exploded Views
>>
Engine
>>
System Diagram
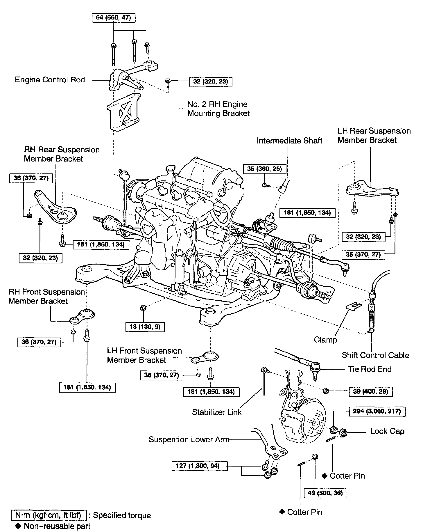
System Diagram
Part 1 Of 5:
Part 2 Of 5:
Part 3 Of 5:
Part 4 Of 5:
Part 5 Of 5:
ENGINE UNIT