Curiosii for ever!: Car repair manuals for everyone.

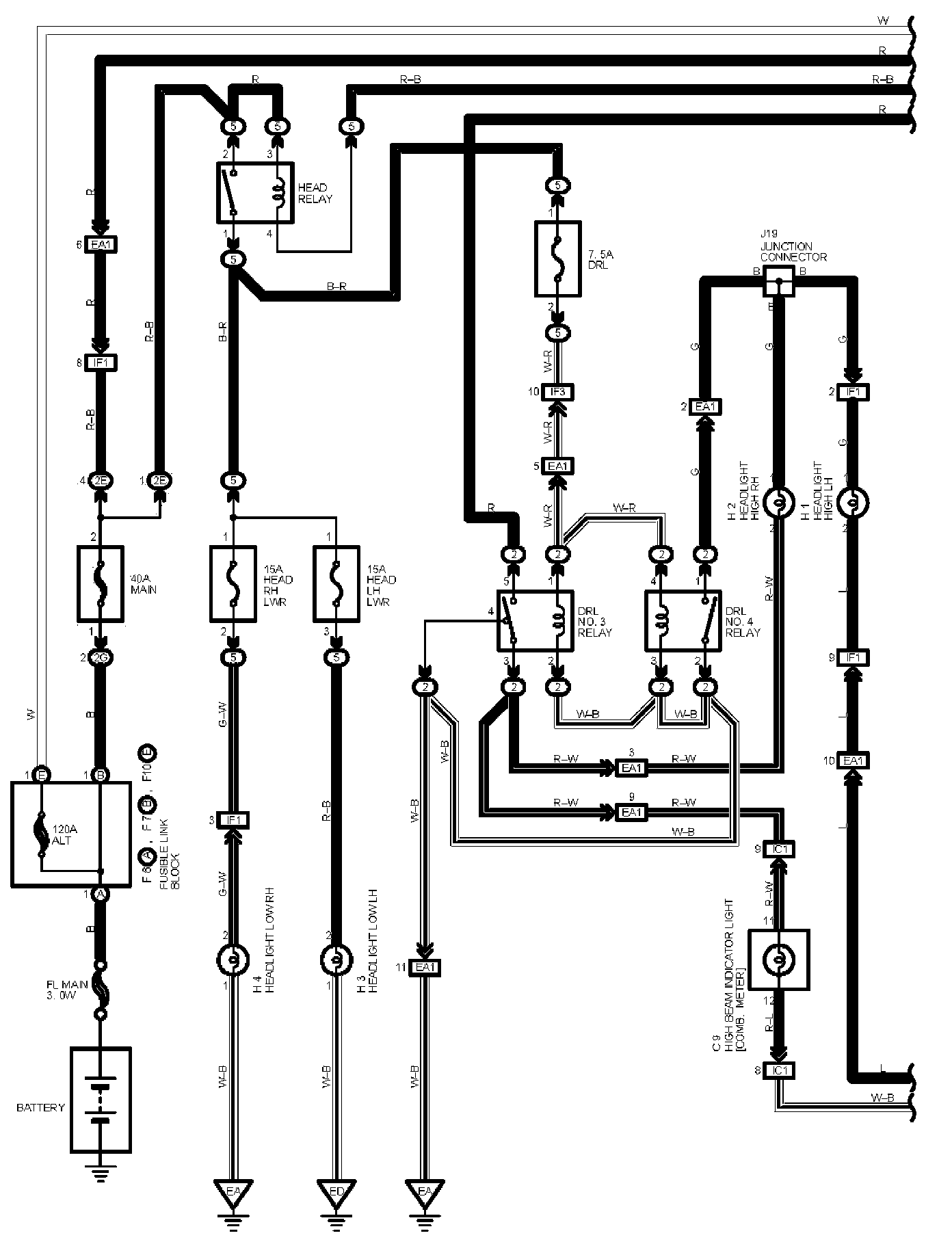
Multiplex Communication System Part 1

Multiplex Communication System Part 1:




Diagram Legend Part 1:




Diagram Legend Part 2:




Diagram Legend Part 3:




Diagram Legend Part 4:






Next Diagram Multiplex Communication System Part 2

Locations: The locations of components, connectors, ground points, and splices referred to within these diagrams can be found at Vehicle Locations. Locations

Connector Views: The connector views for connectors referred to within these diagrams can be found at the Vehicle level Connector Views. Connector Views