Curiosii for ever!
: Car repair manuals for everyone.
Home
>>
Toyota
>>
2004
>>
Avalon V6-3.0L (1MZ-FE)
>>
Repair and Diagnosis
>>
Body and Frame
>>
Body Control Systems
>>
Testing and Inspection
>>
Symptom Related Diagnostic Procedures
>>
Passenger Door Control System
>>
Symptom Diagnostic Procedures
>>
Power Source Circuit
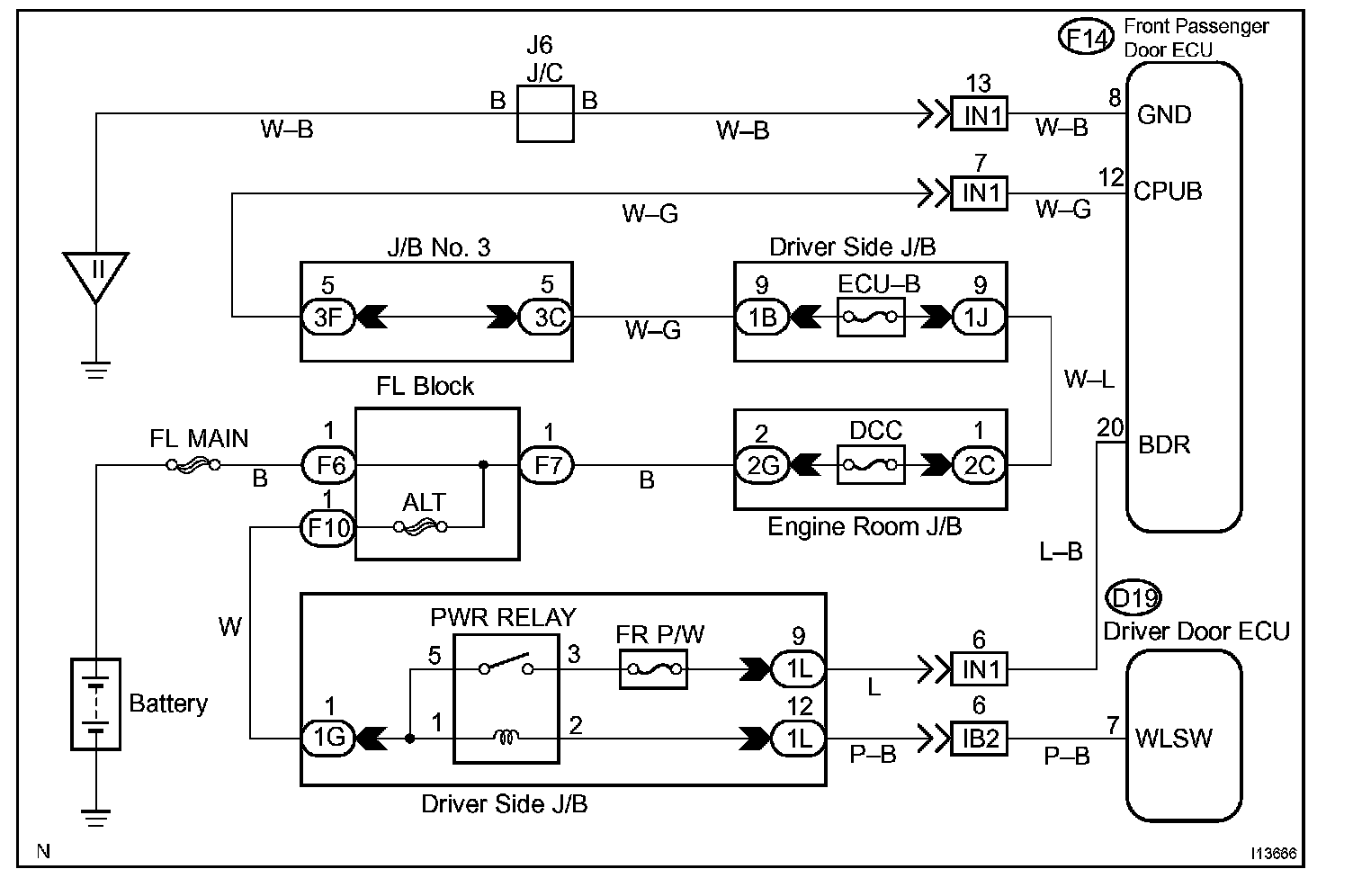
Power Source Circuit
CIRCUIT DESCRIPTION
This circuit provides power to operate the passenger door ECU.
Wiring Diagram:
Step 1 - 3:
INSPECTION PROCEDURE