Curiosii for ever!
: Car repair manuals for everyone.
Home
>>
Toyota
>>
2003
>>
Prius L4-1.5L (1NZ-FXE) Hybrid
>>
Repair and Diagnosis
>>
Powertrain Management
>>
Ignition System
>>
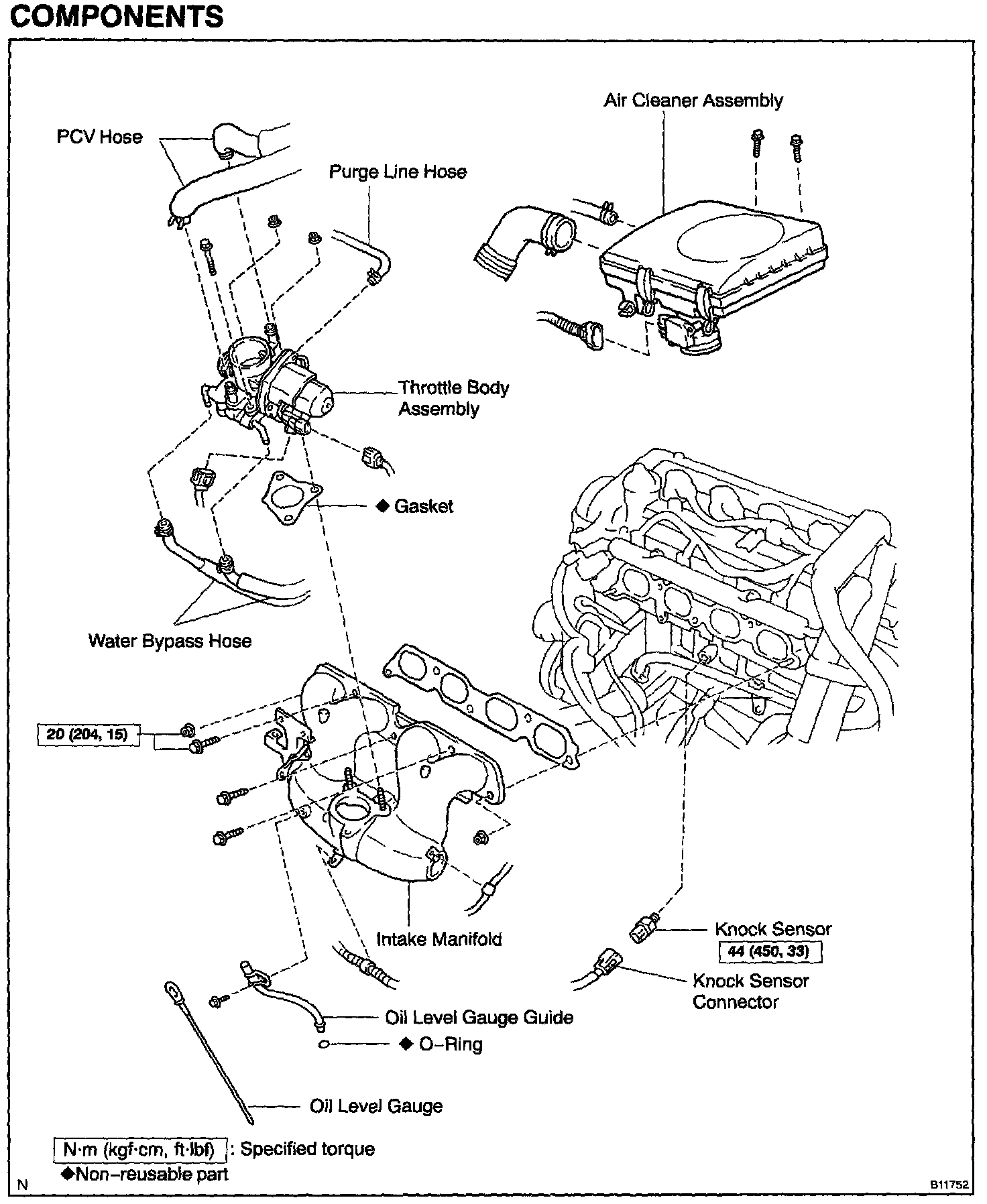
Knock Sensor
>>
Specifications
Knock Sensor: Specifications
Knock Sensor: