Curiosii for ever!
: Car repair manuals for everyone.
Home
>>
Toyota
>>
2003
>>
Prius L4-1.5L (1NZ-FXE) Hybrid
>>
Repair and Diagnosis
>>
Diagrams
>>
Exploded Views
>>
Engine
>>
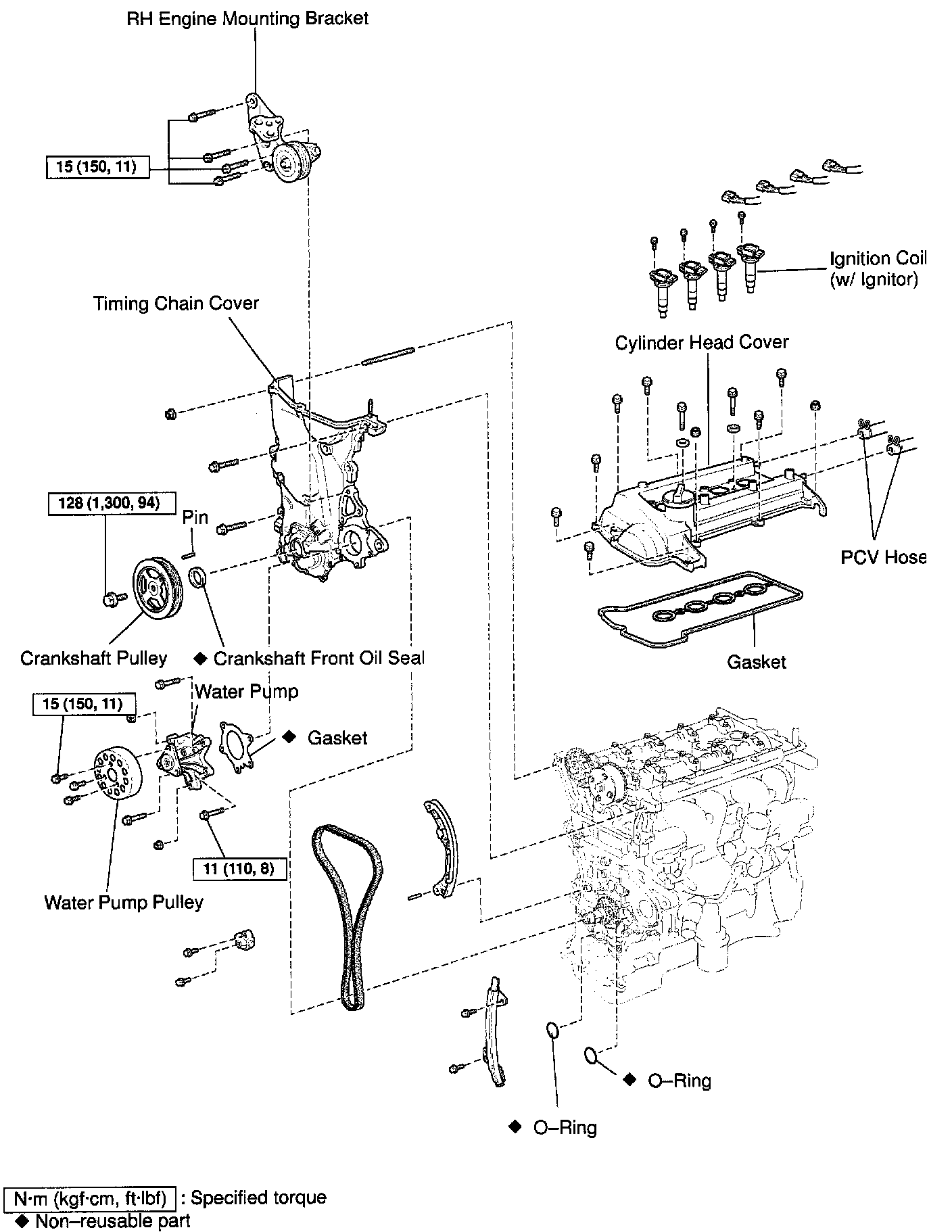
Oil Pump, Engine
Oil Pump, Engine
OIL PUMP REPLACEMENT AND OVERHAUL W/ RELATED COMPONENTS