Curiosii for ever!
: Car repair manuals for everyone.
Home
>>
Toyota
>>
2003
>>
Matrix 4WD L4-1.8L (1ZZ-FE)
>>
Repair and Diagnosis
>>
Powertrain Management
>>
Transmission Control Systems
>>
Testing and Inspection
>>
Symptom Related Diagnostic Procedures
>>
Symptom Diagnostic Procedures
>>
Park/Neutral Position Switch Circuit
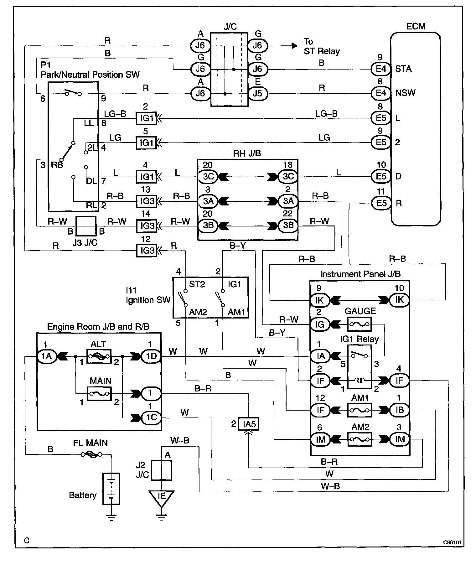
Park/Neutral Position Switch Circuit
CIRCUIT DESCRIPTION
DTC Detecting Condition:
The park/neutral position switch detects the shift lever position and sends the signals to the ECM.
Wiring Diagram:
Step 1:
Step 2 - 3:
INSPECTION PROCEDURE