Curiosii for ever!: Car repair manuals for everyone.

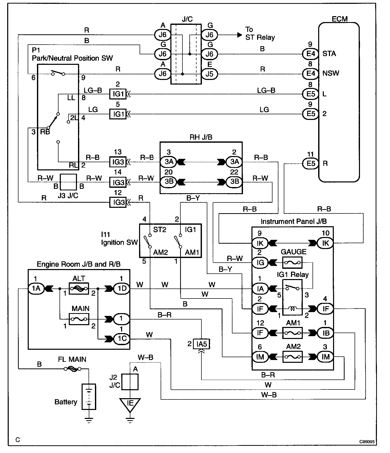
Park/Neutral Position Switch Circuit

CIRCUIT DESCRIPTION

DTC Detecting Condition:




The park/neutral position switch detects the shift lever position and sends the signals to the ECM. The ECM receives the signals (NSW, R, 2 and L) from the park/neutral position switch when the signal is not sent to the ECM from the park/neutral position switch, the ECM judges that the shift lever is in the D position.

Wiring Diagram:






Step 1 - 2:




Step 3:




INSPECTION PROCEDURE