Curiosii for ever!
: Car repair manuals for everyone.
Home
>>
Toyota
>>
2003
>>
MR2 Spyder L4-1.8L (1ZZ-FE)
>>
Repair and Diagnosis
>>
Powertrain Management
>>
Computers and Control Systems
>>
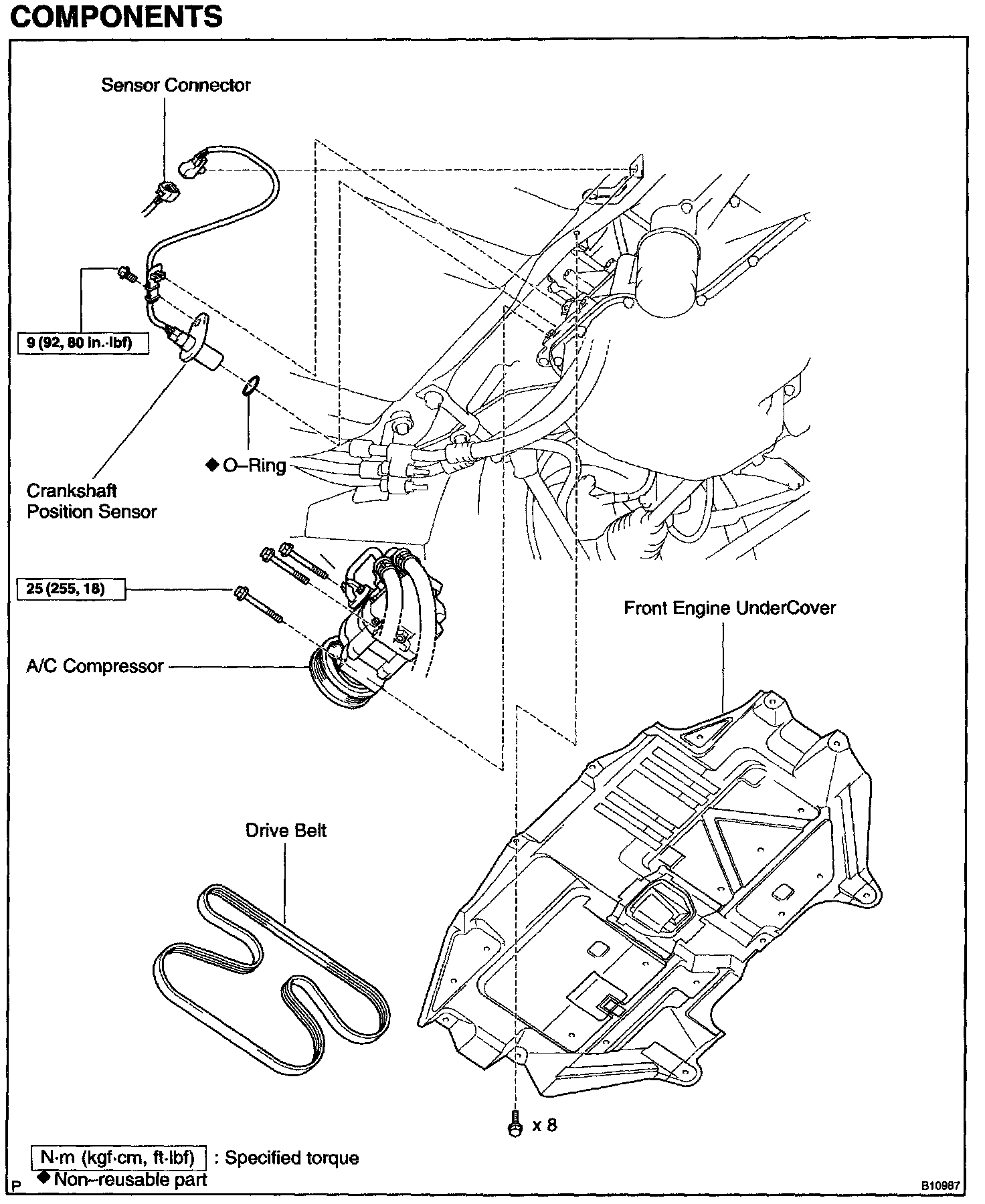
Crankshaft Position Sensor
>>
Specifications
>>
Mechanical Specifications
Mechanical Specifications
Crankshaft Position Sensor: