Curiosii for ever!: Car repair manuals for everyone.

Air Flow Meter/Sensor: Service and Repair

Mass Air Flow (MAF) Meter:






REMOVAL

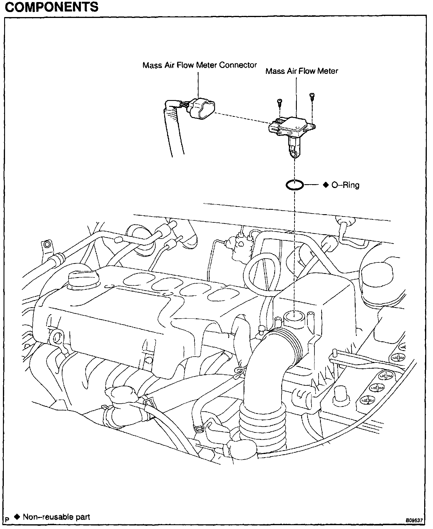
REMOVE MASS AIR FLOW METER
Remove the 2 screws, air flow meter and O-ring.

INSTALLATION

INSTALL MASS AIR FLOW METER
Install the air flow meter and a new O-ring with 2 screws.