Curiosii for ever!
: Car repair manuals for everyone.
Home
>>
Toyota
>>
2003
>>
Celica GT L4-1.8L (1ZZ-FE)
>>
Repair and Diagnosis
>>
Diagrams
>>
Exploded Views
>>
Engine
>>
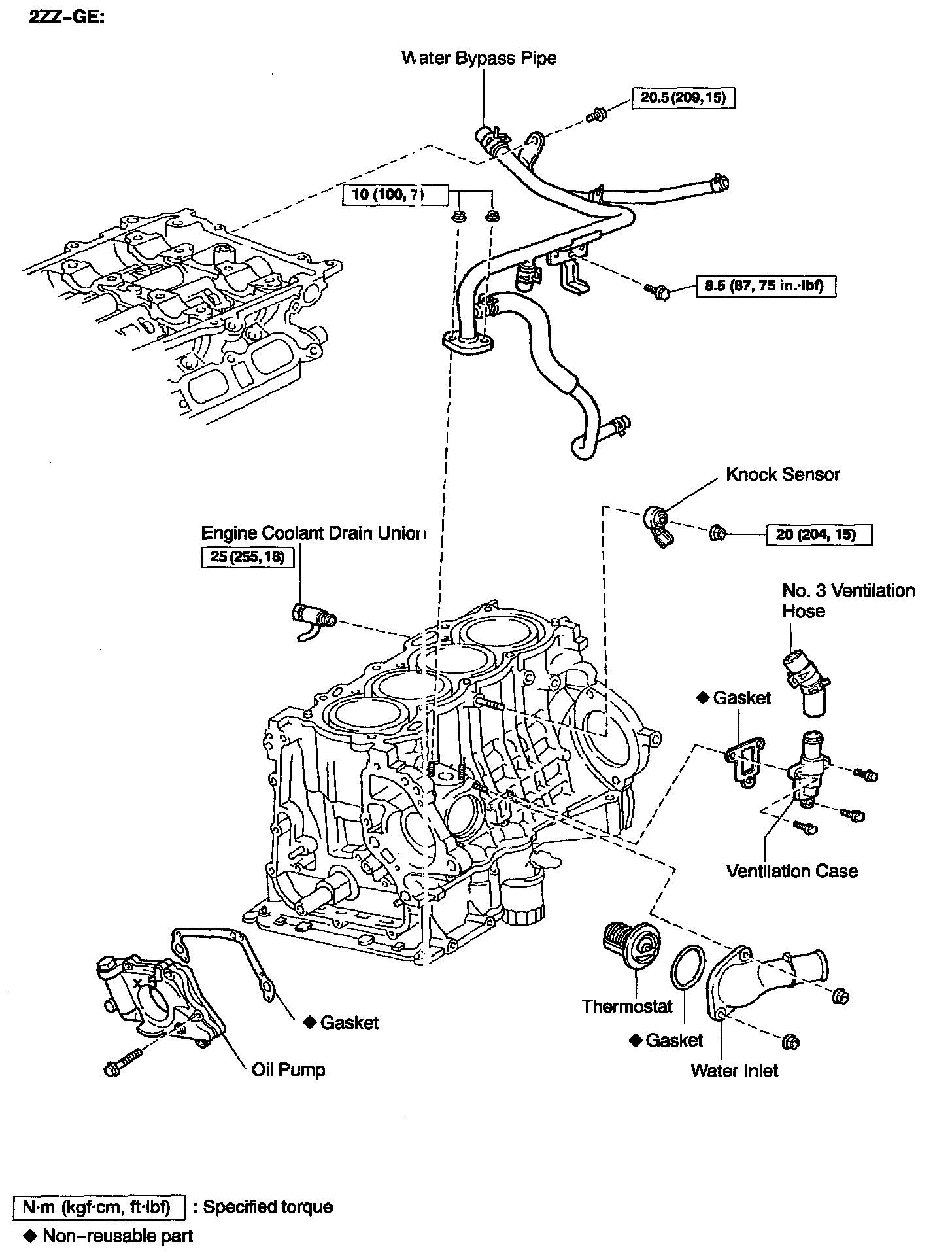
Cylinder Block Assembly
Cylinder Block Assembly
CYLINDER BLOCK OVERHAUL W/ RELATED COMPONENTS