Curiosii for ever!: Car repair manuals for everyone.

Key Lock-In Prevention Function Does Not Work Properly

KEY LOCK-IN PREVENTION FUNCTION DOES NOT WORK PROPERLY (MANUAL OPERATION AND INTERLOCKED WITH KEY ARE ACTIVE)

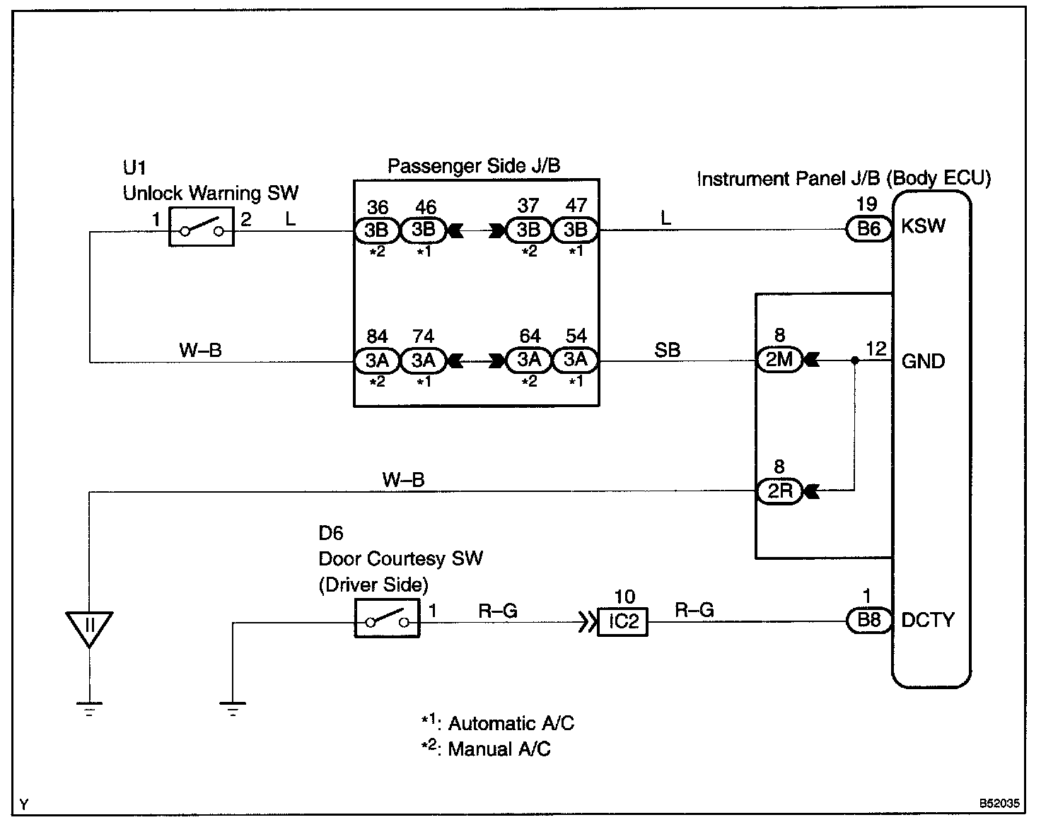
CIRCUIT DESCRIPTION

Body ECU senses, by the unlock warning switch, that the key is in the key cylinder. Because of this, the body ECU will unlock all the doors immediately after locking them if a door is locked while the key is in the key cylinder.

Wiring Diagram:






Step 1 - 2:




Step 3 - 4:




INSPECTION PROCEDURE