Curiosii for ever!
: Car repair manuals for everyone.
Home
>>
Toyota
>>
2003
>>
Avalon V6-3.0L (1MZ-FE)
>>
Repair and Diagnosis
>>
Diagrams
>>
Exploded Views
>>
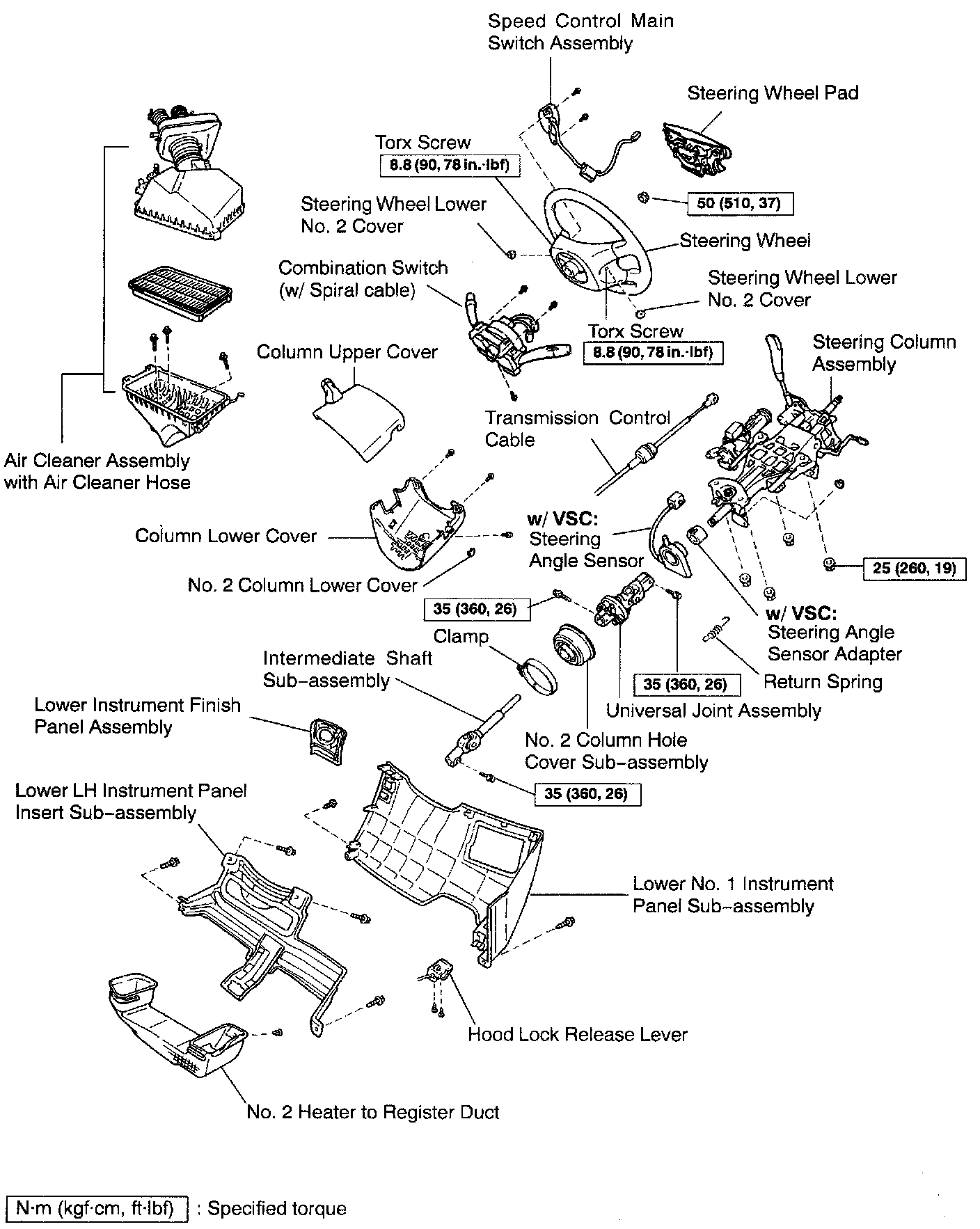
Steering Column
Steering Column
Part 1 Of 3:
Part 2 Of 3:
Part 3 Of 3:
TILT
STEERING COLUMN
REPLACEMENT AND OVERHAUL W/ RELATED COMPONENTS