Curiosii for ever!
: Car repair manuals for everyone.
Home
>>
Toyota
>>
2002
>>
MR2 Spyder L4-1.8L (1ZZ-FE)
>>
Repair and Diagnosis
>>
Powertrain Management
>>
Transmission Control Systems
>>
Testing and Inspection
>>
Component Tests and General Diagnostics
>>
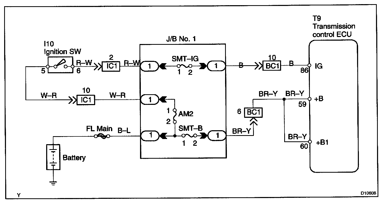
Transmission Control ECU Power Source
Transmission Control ECU Power Source
Wiring Diagram:
Step 1:
Step 2 - 3:
INSPECTION PROCEDURE