Curiosii for ever!
: Car repair manuals for everyone.
Home
>>
Toyota
>>
2002
>>
MR2 Spyder L4-1.8L (1ZZ-FE)
>>
Repair and Diagnosis
>>
Powertrain Management
>>
Computers and Control Systems
>>
Throttle Position Sensor
>>
Locations
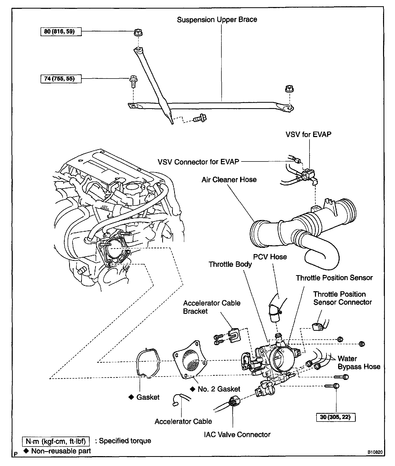
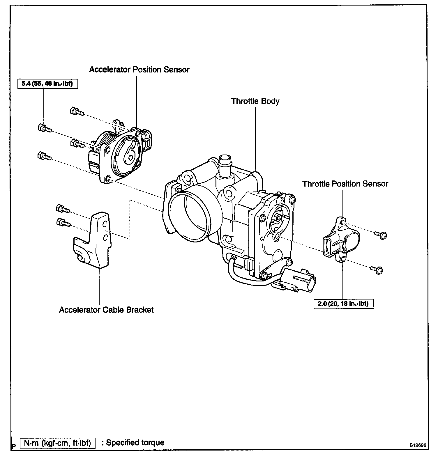
Throttle Position Sensor: Locations
Throttle Body (M/T):
Throttle Body (SMT) Part 1:
Throttle Body (SMT) Part 2: