Curiosii for ever!
: Car repair manuals for everyone.
Home
>>
Toyota
>>
2002
>>
MR2 Spyder L4-1.8L (1ZZ-FE)
>>
Repair and Diagnosis
>>
Diagrams
>>
Exploded Views
>>
Manual Transmission/Transaxle
>>
System Diagram
>>
Sequential Shift
>>
Unit Overhaul
>>
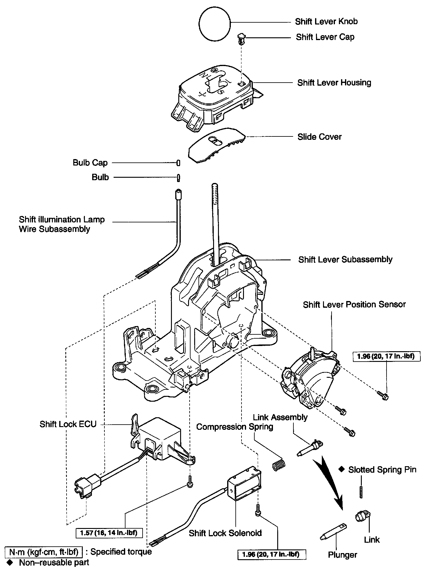
Shift Lever
Shift Lever