Curiosii for ever!
: Car repair manuals for everyone.
Home
>>
Toyota
>>
2002
>>
MR2 Spyder L4-1.8L (1ZZ-FE)
>>
Repair and Diagnosis
>>
Diagrams
>>
Exploded Views
>>
Engine
>>
System Diagram
System Diagram
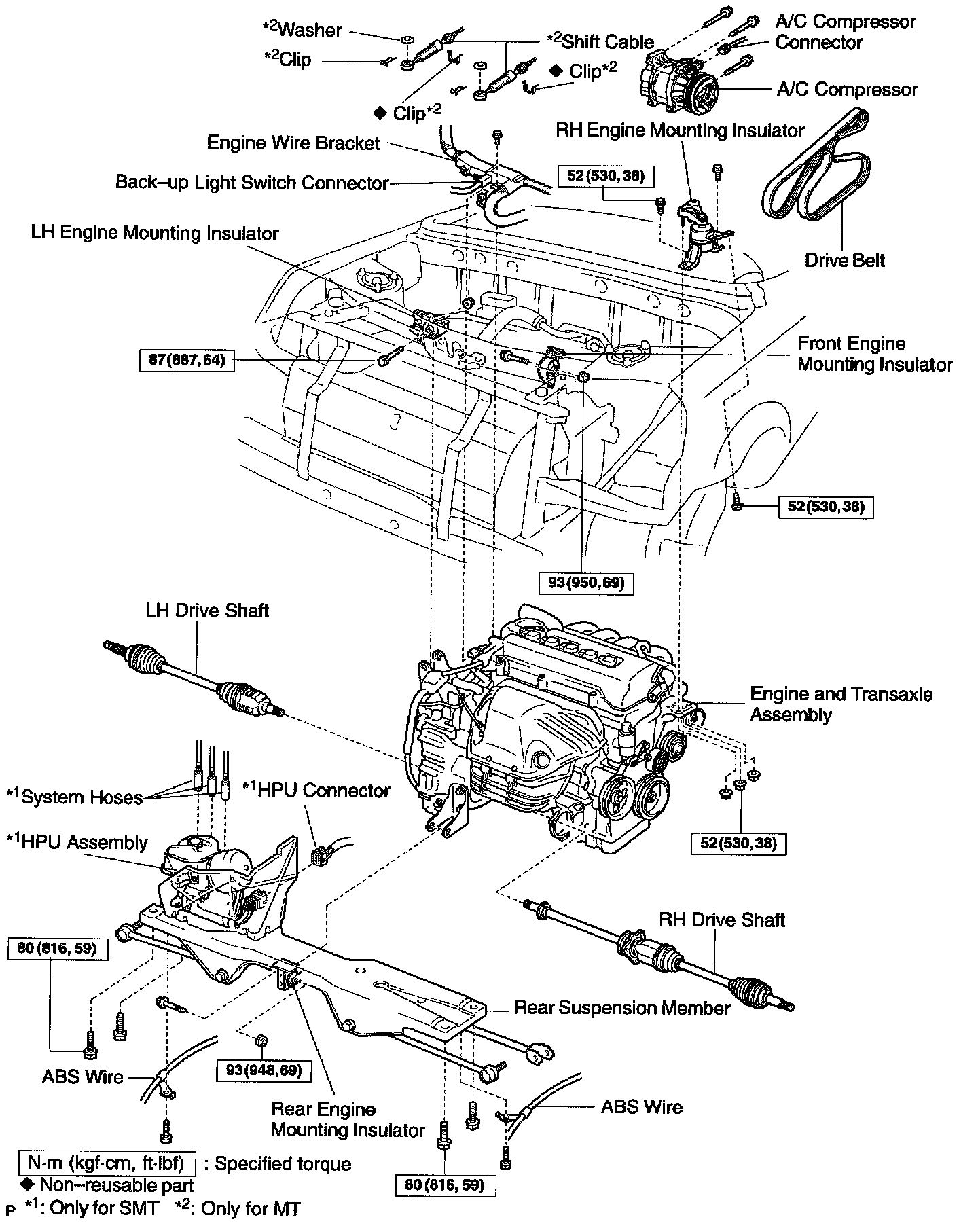
ENGINE UNIT REPLACEMENT W/ RELATED COMPONENTS
Part 1 of 5
Part 2 of 5
Part 3 of 5
Part 4 of 5
Part 5 of 5