Curiosii for ever!
: Car repair manuals for everyone.
Home
>>
Toyota
>>
2002
>>
MR2 Spyder L4-1.8L (1ZZ-FE)
>>
Repair and Diagnosis
>>
Diagrams
>>
Exploded Views
>>
Engine
>>
Cylinder Block Assembly
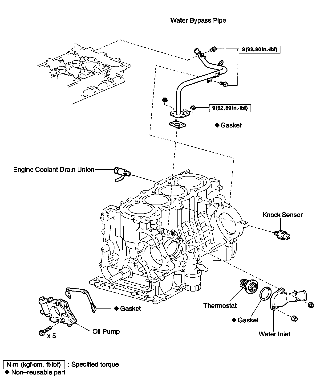
Cylinder Block Assembly
CYLINDER BLOCK OVERHAUL W/ RELATED COMPONENTS
Part 1 of 2
Part 2 of 2