Curiosii for ever!
: Car repair manuals for everyone.
Home
>>
Toyota
>>
2002
>>
Echo L4-1.5L (1NZ-FE)
>>
Repair and Diagnosis
>>
Powertrain Management
>>
Computers and Control Systems
>>
Coolant Temperature Sensor/Switch (For Computer)
>>
Locations
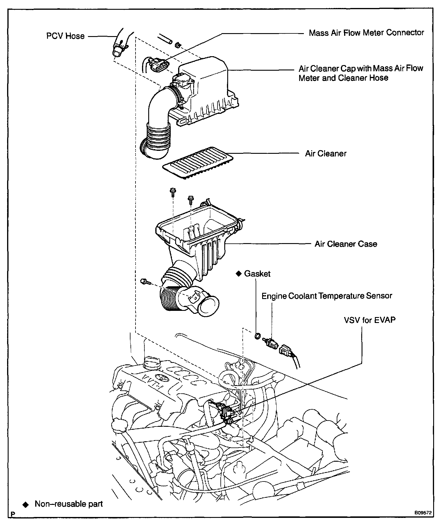
Coolant Temperature Sensor/Switch (For Computer): Locations
Engine Coolant Temperature (ECT) Sensor: