Curiosii for ever!
: Car repair manuals for everyone.
Home
>>
Toyota
>>
2002
>>
Avalon XLS V6-3.0L (1MZ-FE)
>>
Repair and Diagnosis
>>
Diagrams
>>
Exploded Views
>>
Engine
>>
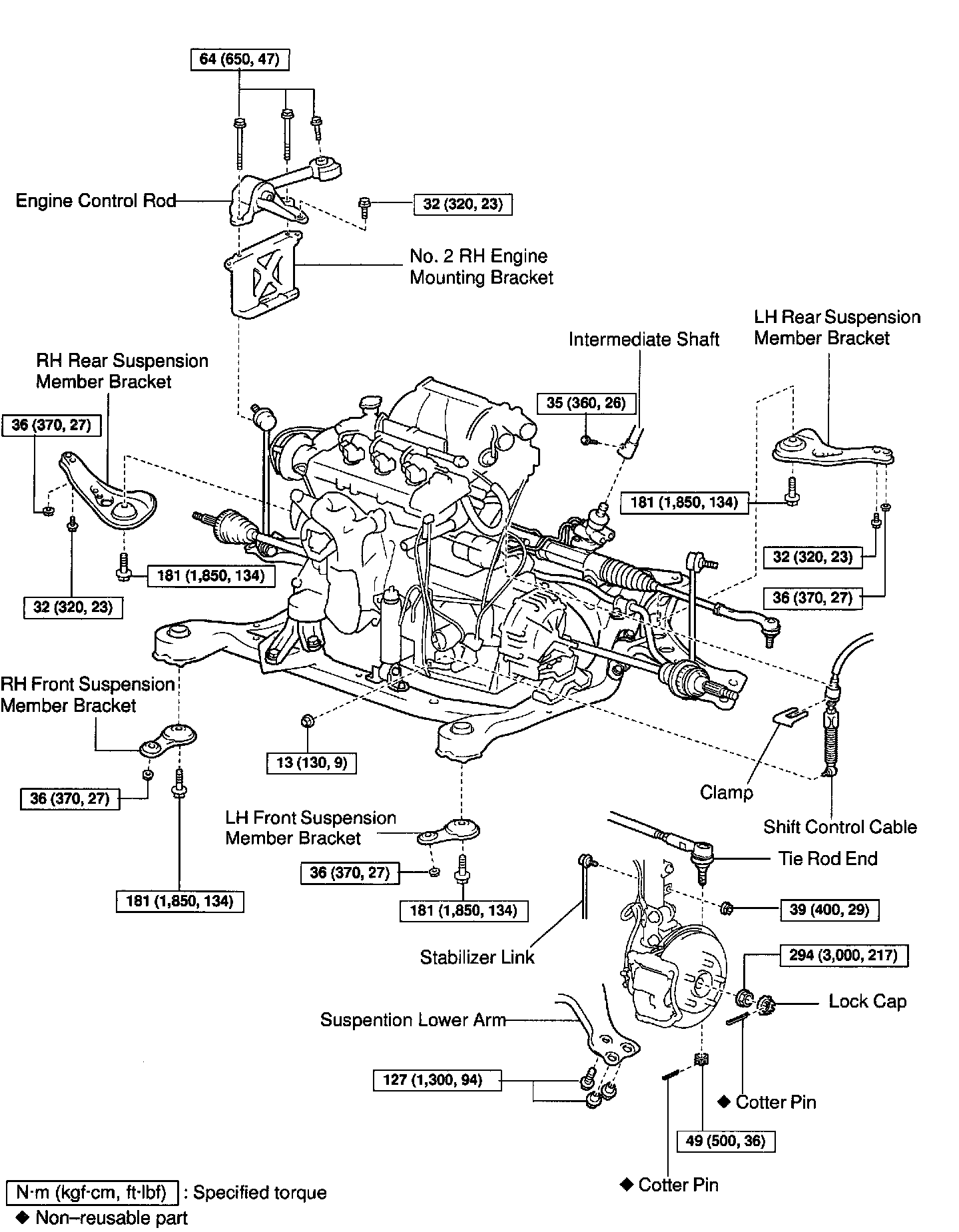
System Diagram
System Diagram
ENGINE UNIT REPLACEMENT AND OVERHAUL W/ RELATED COMPONENTS
Part 1 of 5
Part 2 of 5
Part 3 of 5
Part 4 of 5
Part 5 of 5