Curiosii for ever!
: Car repair manuals for everyone.
Home
>>
Toyota
>>
2002
>>
Avalon XLS V6-3.0L (1MZ-FE)
>>
Repair and Diagnosis
>>
Body and Frame
>>
Body Control Systems
>>
Testing and Inspection
>>
Component Tests and General Diagnostics
>>
Body Control System
>>
Light Control Switch Circuit
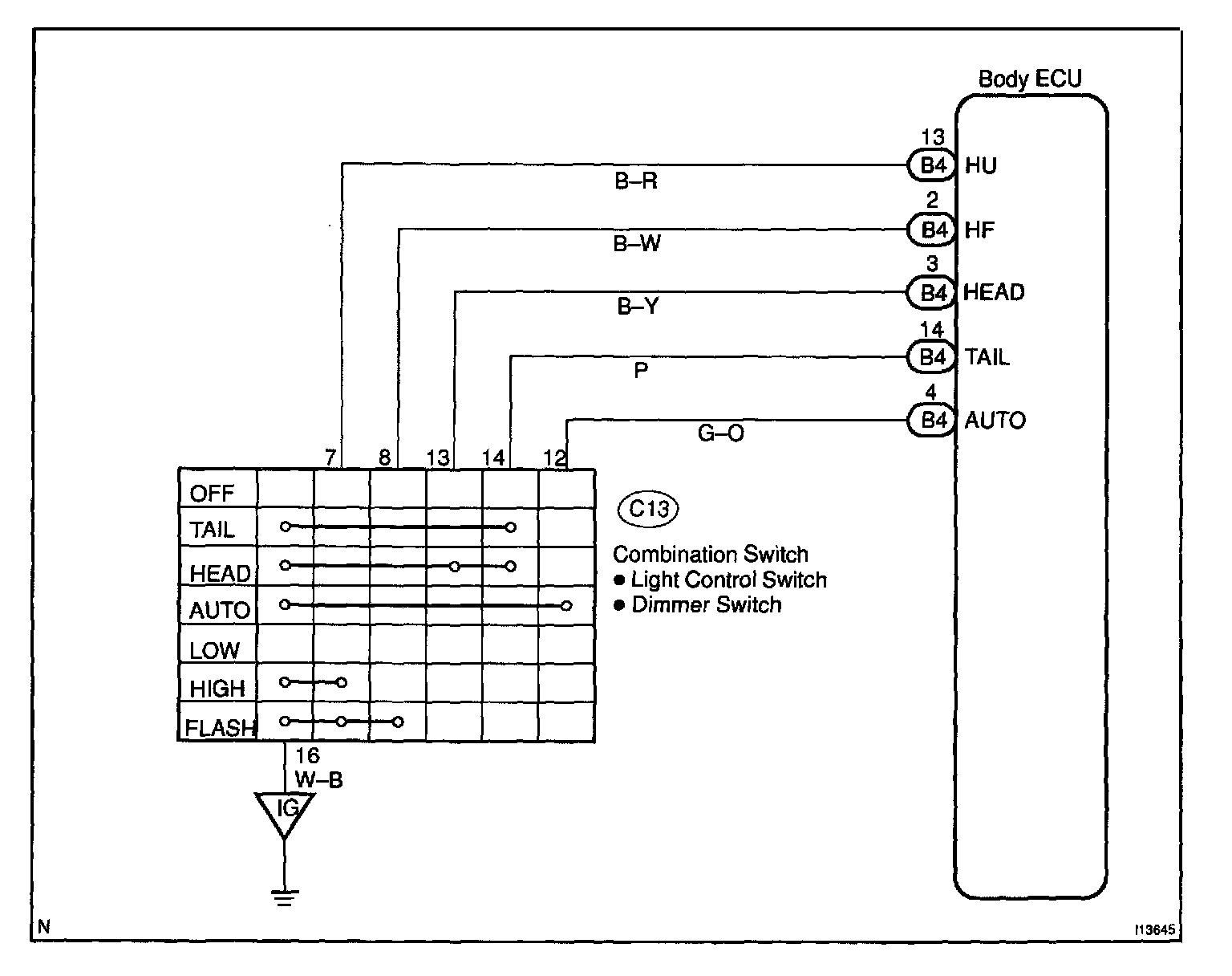
Light Control Switch Circuit
Wiring Diagram:
Step 1 - 2:
INSPECTION PROCEDURE