Curiosii for ever!
: Car repair manuals for everyone.
Home
>>
Toyota
>>
2001
>>
MR2 Spyder L4-1.8L (1ZZ-FE)
>>
Repair and Diagnosis
>>
Diagrams
>>
Exploded Views
>>
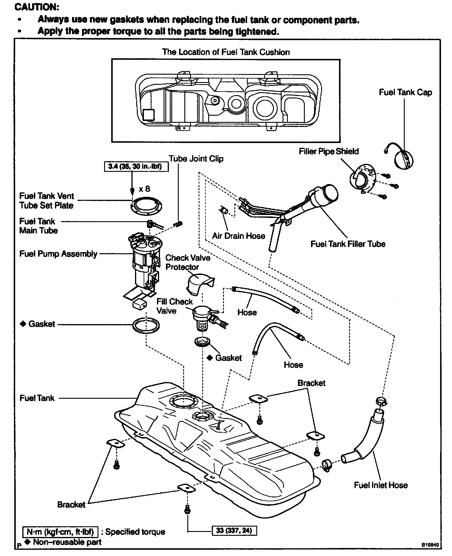
Fuel Tank
Fuel Tank
Fuel Tank And Line: