Curiosii for ever!
: Car repair manuals for everyone.
Home
>>
Toyota
>>
2001
>>
MR2 Spyder L4-1.8L (1ZZ-FE)
>>
Repair and Diagnosis
>>
Body and Frame
>>
Body Control Systems
>>
Body Control Module
>>
Testing and Inspection
>>
Component Tests and General Diagnostics
>>
Power Window Control Switch Circuit
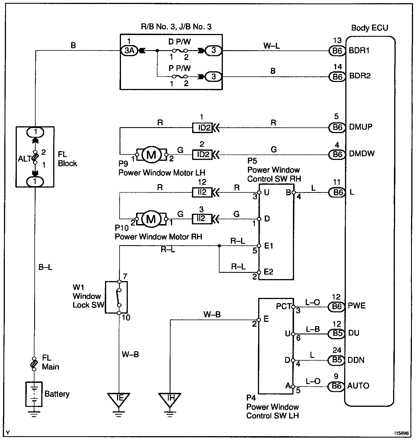
Power Window Control Switch Circuit
CIRCUIT DESCRIPTION
This circuit detects the state of the power window control switch.
Wiring Diagram:
Steps 1 - 2:
INSPECTION PROCEDURE