Curiosii for ever!: Car repair manuals for everyone.

Component Tests

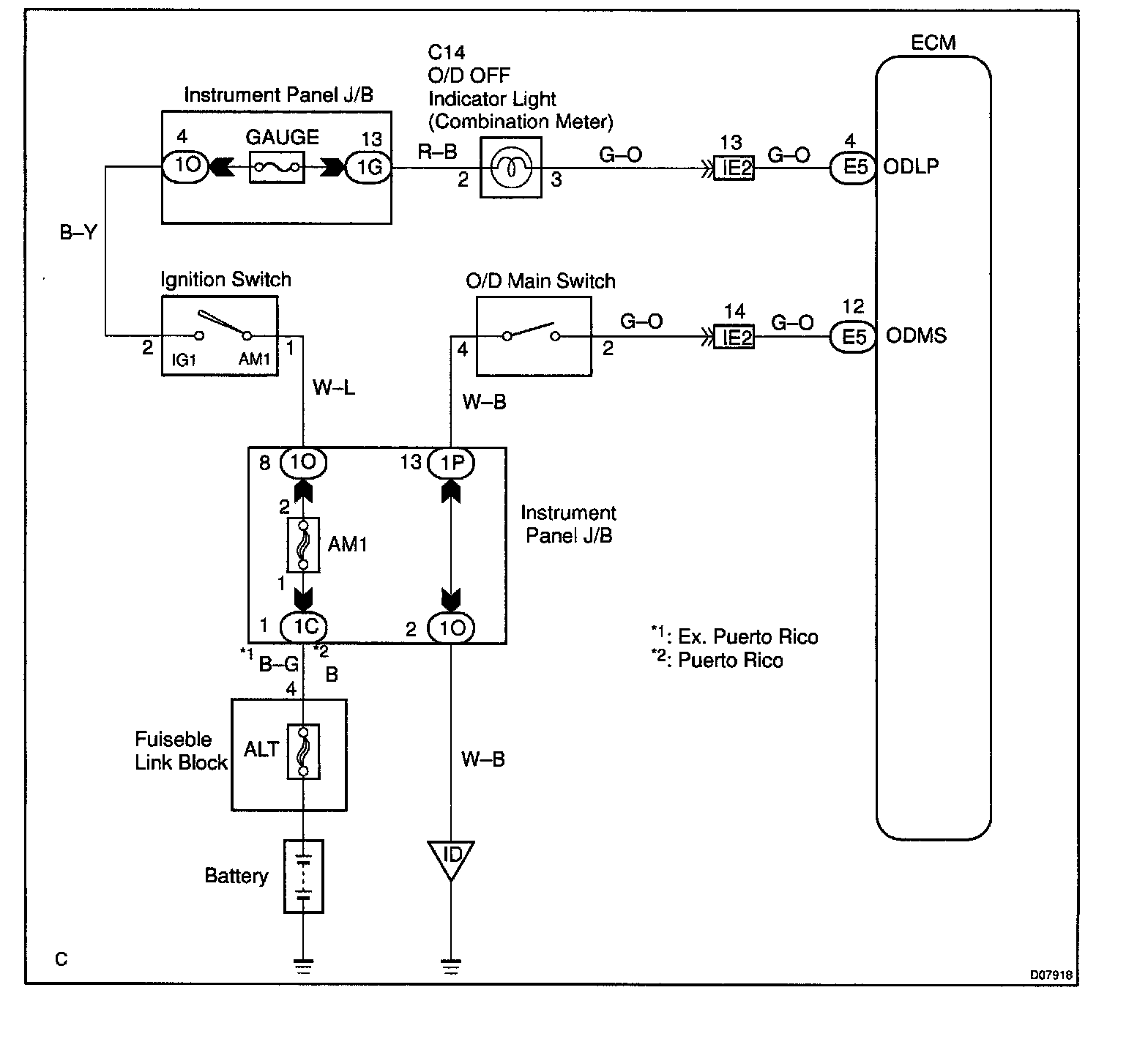
O/D Main Switch & O/D OFF Indicator Light Circuit

CIRCUIT DESCRIPTION
The O/D main switch is a momentary type switch. When pressing the O/D main switch, the O/D OFF indicator

Light lights up and ECM prohibits shifting to O/D, and when pressing it again, the O/D OFF indicator light goes off and ECM allows shifting to O/D. Turning the IG switch OFF will reset the O/D OFF indicator Light.

Wiring Diagram:






Steps 1 - 3:




Steps 4 - 5:




INSPECTION PROCEDURE