Curiosii for ever!: Car repair manuals for everyone.

Removal and Installation




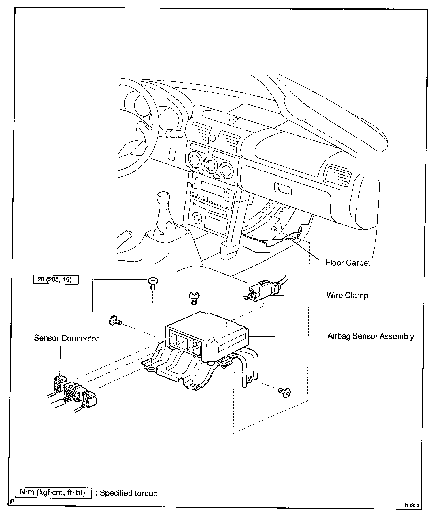
COMPONENTS

REMOVAL

NOTE: Do not open the cover or the case of the ECU and various electrical devices unless absolutely necessary.
(If the IC terminals are touched, the IC may be destroyed by static electricity.)




REMOVE AIRBAG SENSOR ASSEMBLY
a. Take out the floor carpet.
b. Disconnect the wire clamp.
C. Disconnect the airbag sensor connectors.

NOTE: Disconnect the connectors with the airbag sensor assembly installed.

d. Using a torx wrench, remove the 3 screws and airbag sensor assembly.
Torx wrench: T40 (Part No.09042-00020 or locally manufactured tool)

INSTALLATION

NOTE:
- Never use SRS parts from another vehicle. When replacing parts, replace them with new ones.
- Never reuse the airbag sensor assembly involved in a collision with the airbag has deployed.
- Never repair a sensor in order to reuse it.




INSTALL AIRBAG SENSOR ASSEMBLY
a. Using a torx wrench install the airbag sensor assembly with the 3 screws.
Torx wrench: T40 (Part No.09042-00020 or locally manufactured tool)
Torque: 20 Nm (205 kg.cm, 15 ft.lb)
b. Connect the airbag sensor connectors
C. Connect the wire clamp.
d. Install the floor carpet.

NOTE:
- Connection of the connector is done after the sensor assembly has been installed.
- Make sure the sensor assembly is installed with the specified torque.
- If the sensor assembly has been dropped, or there are cracks, dents or other defects in the case, bracket or connector, replace the sensor assembly with a new one.
- When installing the senor assembly, take care that the SRS wiring does not interfere with other parts and is not pinched between other parts.
- After installing, shake the sensor assembly to check for looseness.