Curiosii for ever!
: Car repair manuals for everyone.
Home
>>
Toyota
>>
2000
>>
MR2 L4-1.8L (1ZZ-FE)
>>
Repair and Diagnosis
>>
Powertrain Management
>>
Computers and Control Systems
>>
Knock Sensor
>>
Locations
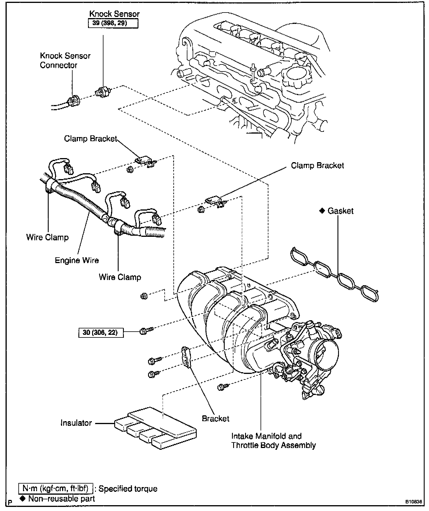
Knock Sensor: Locations