Curiosii for ever!: Car repair manuals for everyone.

Coolant Temperature Sensor/Switch (For Computer): Testing and Inspection




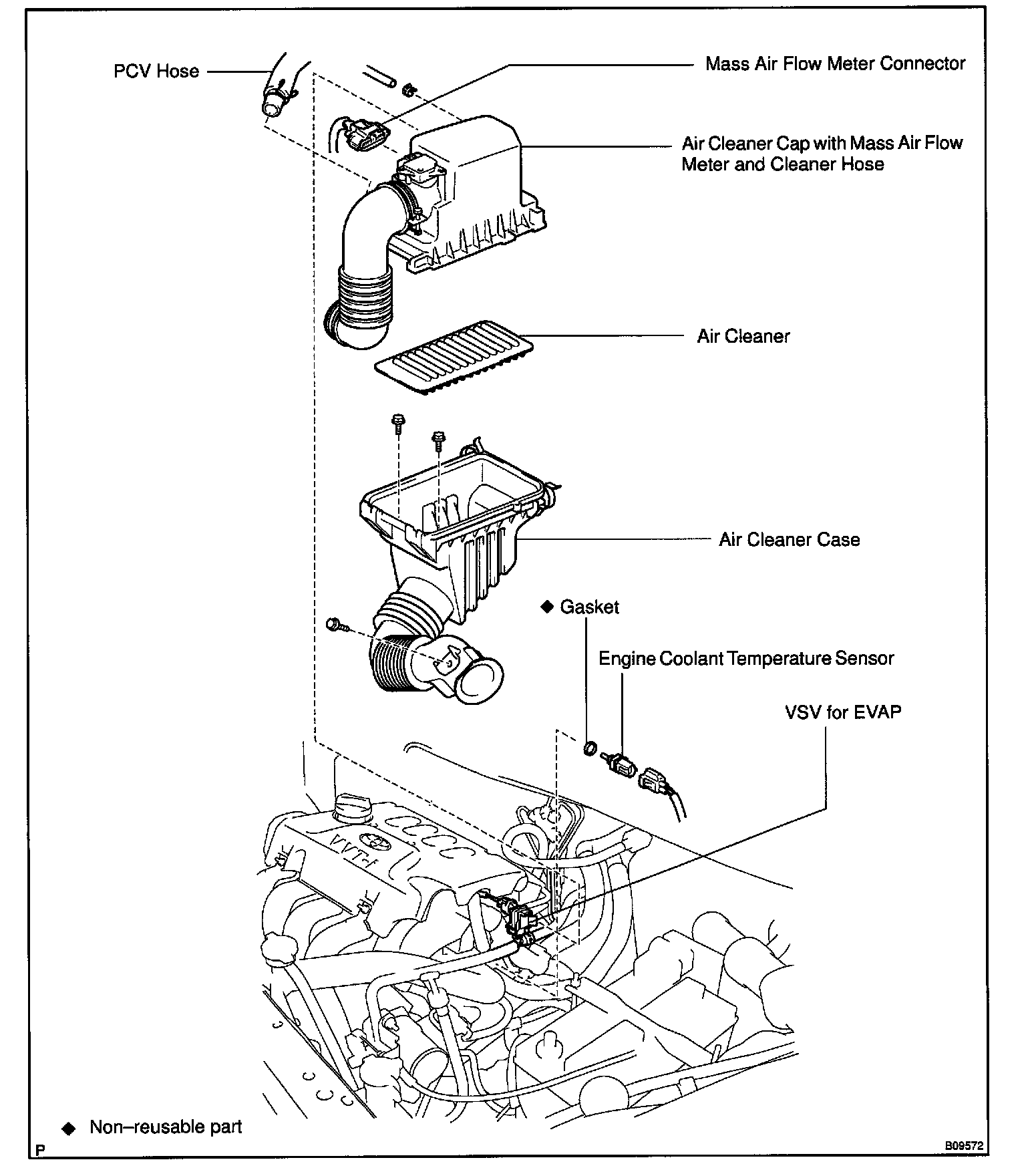
COMPONENTS

INSPECTION

1. DRAIN ENGINE COOLANT
2. REMOVE NO.2 CYLINDER HEAD COVER
3. REMOVE AIR CLEANER ASSEMBLY
4. REMOVE ECT SENSOR




5. INSPECT ECT SENSOR RESISTANCE
Using an ohmmeter, measure the resistance between terminals 1 (E2) and 2 (THW).

Resistance: Refer to the graph

If the resistance is not as specified, replace the ECT sensor.

6. REINSTALL ECT SENSOR
Install a new gasket to the ECT sensor.

7. REINSTALL NO.2 CYLINDER HEAD COVER
8. REINSTALL AIR CLEANER ASSEMBLY
9. FILL RADIATOR WITH ENGINE COOLANT